Сборка самодельного устройства
Чтобы иметь возможность использовать насадку от старой бормашины для выполнения мелких работ с изделиями из металла, пластика, древесины и кости, необходимо изготовить приспособление, при помощи которого такая насадка будет приводиться в действие от небольшого электромотора требуемой мощности. В качестве приводного электродвигателя для самодельной бормашины можно использовать маленький, но оборотистый и мощный моторчик от обычного фена или старого видеомагнитофона.
Чтобы передать крутящий момент от электродвигателя валу насадки для гравера, можно использовать пластиковые шестеренки различного размера. Подобными шестеренками, в частности, оснащаются редукторы детских заводных игрушек, а также кинематические схемы бытовой техники различного назначения
Выбирая такие зубчатые колеса, очень важно следить за тем, чтобы они соответствовали друг другу по количеству, форме зубьев и наружному диаметру. Чтобы увеличить мощность рабочей насадки самодельной бормашины, на ее валу необходимо зафиксировать шестеренку большего диаметра, а шестеренку меньшего диаметра закрепить на валу приводного электродвигателя

Подбираем моторчик и шестеренки
Диаметры посадочных отверстий в шестеренках, которые вы подберете для оснащения приводного механизма своей самодельной бормашины, скорее всего, не будут соответствовать размерам валов электродвигателя и рабочей насадки. Решается такая проблема достаточно просто: при помощи сверления в шестеренках посадочных отверстий требуемого диаметра. Чтобы обеспечить плотную и надежную посадку пластиковых шестеренок на валах двигателя и насадки гравера, отверстия следует сверлить меньшего диаметра (на 0,1–0,2 мм), чем размеры самих валов.
Приводной узел вашей самодельной бормашины, состоящий из электродвигателя, двух шестеренок и хвостовой части вала насадки, будет работать корректно и без сбоев, если все элементы такого механизма надежно зафиксировать в соответствующем положении. Решить такую задачу позволяет простейшая приспособа, изготавливаемая из алюминиевой пластины толщиной 2 мм. Такой пластине можно придать совершенно любую конфигурацию (главное, чтобы она не создавала неудобства при работе с самодельной бормашиной).

Рассчитываем и изготавливаем крепежную пластину
В крепежной пластине необходимо просверлить два отверстия, оно из которых предназначено для размещения электродвигателя, а второе – для фиксации рабочей насадки
Очень важно правильно рассчитать расстояние между центрами таких отверстий, которое должно быть равно расстоянию между осями двух используемых шестеренок, находящихся между собой в зацеплении. Если такое расстояние рассчитано и при сверлении выдержано верно, то шестеренки в процессе использования самодельной бормашины будут вращаться без заеданий и проскакивания через зубья
Если отверстие в крепежной пластине, в котором будет фиксироваться рабочая насадка бормашины, выполнить в форме эллипса, можно нивелировать ошибки, допущенные при выполнении вышеописанных расчетов.

Закрепляем детали и проверяем работу нашего редуктора
Несколько полезных рекомендаций
Решая вопрос о том, какой гибкий вал использовать для оснащения своего самодельного гравера, лучше выбирать приводные элементы от стоматологических бормашин. Делать это рекомендуется по той причине, что такие валы, даже снятые со старых бормашин, уже оснащены рабочими насадками с зажимными механизмами цангового типа, в которых очень удобно и надежно фиксируется используемый инструмент.
Между тем у использования гибкого вала от стоматологической бормашины в качестве приводного элемента насадки гравера есть и определенные неудобства. Заключаются они в том, что для стоматологических насадок не всегда можно подобрать инструменты, требуемые при работе на гравировальной установке. Решается такая проблема достаточно просто: многие инструменты для гравера можно изготовить самостоятельно, используя для этого подручные материалы.

Самодельные насадки для гравера
Так, достаточно качественные фрезы для гравировальных установок можно сделать из поломанных сверл, если, используя обычный точильный станок, придать их рабочей части требуемую конфигурацию. Абразивные головки различной формы, которые активно используются при обработке с помощью гравера, можно изготовить из обломков точильного круга средней твердости.
Сначала такие обломки необходимо оснастить хвостовиком, который делается из стальной проволоки диаметром 2,6 мм. Затем такой хвостовик вставляют в предварительно выполненное отверстие в абразивном обломке и замоноличивают в нем при помощи эпоксидной смолы. Последнее, что останется сделать для превращения такой заготовки в полноценный инструмент для гравера, – это придать его абразивной части требуемую конфигурацию при помощи точильного станка, оснащенного кругом высокой твердости.
Как сделать гравер своими руками – комплектующие и порядок сборки
Гравировальное оборудование, при помощи которого можно успешно выполнять различные технологические операции, сегодня активно используется как специалистами, так и домашними мастерами. Хотя приобрести такое устройство на современном рынке не представляет никаких проблем, многие из тех, кто хотел бы иметь его в оснащении своей мастерской, поступают иначе и изготавливают гравер своими руками.

Самодельный гравер с держателем от стоматологической бормашины
Несмотря на простоту конструкции, самодельный гравировальный аппарат позволяет успешно выполнять такие же технологические операции, что и гравер серийной модели. К таким операциям, в частности, относятся:
- фрезеровка плоских и фасонных поверхностей, а также отверстий и пазов различной конфигурации;
- сверление и растачивание отверстий небольшого диаметра;
- резка тонколистового материала;
- очистка изделия от следов коррозии и других стойких загрязнений;
- нанесение на обрабатываемую поверхность надписей и узоров;
- шлифовка и полировка.

Самодельный гравер с насадкой из шкурки отлично подходит для шлифовки поверхностей в труднодоступных местах
Как сделать мини дрель для печатных плат своими руками
Основное назначение мини-дрели — сверление печатных плат, пластика, дерева и некоторых других нетвердых материалов. Компактность и эффективность позволили этому инструменту стать одним из основных помощников для домашнего мастера. Причем совсем необязательно покупать готовый инструмент – самодельная мини дрель ничуть не хуже справляется со своими обязанностями, чем ее заводской аналог.
Из чего можно сделать
Сделать мини дрель своими руками можно с помощью использования двигателей из различных подручных средств.
- Фен. Данный вариант является наиболее предпочтительным, так как мощности моторчика от фена будет вполне достаточно для того, чтобы минидрель могла выполнять свои основные функции. Максимальное число оборотов такого двигателя достигает 1500-1800 об/мин.
- Магнитофон. Поскольку мощность двигателя магнитофона очень маленькая, единственное, что может получиться из такой затеи – дрель для печатных плат. Питание двигателя осуществляется от 6 Вольт, а это значит, что вам придется подыскать соответствующее зарядное устройство или батарейку. Двигатель магнитофона
- Катушка от удочки. Мини ручная дрель может быть изготовлена из обычной катушки для удочки. Механизм катушки будет использоваться в качестве моторчика и посредством вращения приводить в действие патрон со сверлом. Достоинством данного способа является простота изготовления и отсутствие необходимости питания от аккумулятора или электросети.
Делаем мини патрон
Для того, чтобы собрать мини патрон для дрели, необходимо приобрести цангу – специальный механизм, предназначенный для зажима цилиндрических предметов. Далее необходимо соединить моторчик с контактами будущей батарейки, которая будет питать устройство во время работы.
Цанга зажимная
Если ваша дрель крутится не в ту сторону – поменяйте местами расположение контактов проводов.
Найти сверло подходящего размера не составит труда. Вставьте сверло в корпус цанги и плотно зажмите. Далее, готовую насадку необходимо установить на корпус моторчика. Цанга должна плотно садиться на вал двигателя. В противном случае вам не избежать вибрации. Патрон на самодельную мини дрель готов.
Насадки для самодельной мини дрели можно приобрести в любом строительном магазине. Перед покупкой убедитесь, что они подходят по диаметру к цанге.
Подготовка корпуса
В качестве корпуса для будущего устройства можно использовать как емкость из-под антиперсперанта, так и обычную полую трубку подходящего размера. Если в качестве корпуса вы используете простую полую трубку, необходимо срезать дно и на его место вставить резиновую или иную заглушку. Если вы делаете аппарат из корпуса антиперсперанта, в крышке необходимо просверлить отверстие для выхода сверла.
Соединяем элементы
С обратной стороны необходимо установить двигатель. Если ваш моторчик не подходит по размеру – подберите другую трубку. Посадка должна происходить очень плотно, чтобы избежать вибрации во время вращения вала. После этого достаточно затянуть болты на цанге и подключить полученное устройство к электросети.
Одним из основных недостатков сбора дрели своими руками из моторчика является меньшая мощность, в сравнении со стандартным аппаратом, и низкая прочность сверла.
Если для вашей работы необходима фреза, вы можете легко сделать ее своими руками из старой зажигалки. Для этого достаньте из зажигалки крутящий барабан и насадите его на подходящий по размеру болт. Зафиксируйте это гайкой и вставьте в отверстие цанги. Фреза для обработки поверхностей готова!
Если по каким либо причинам патрон не подходит по размеру к цилиндрическому валу мотора или катушки, необходимо его хорошо обезжирить и затем посадить на горячий клей. Это поможет получить устойчивую и прочную конструкцию.
Такая мини дрель с приобретенными насадками может выполнять работу по мелкому ремонту технических средств, сверлению пластика, тонкого металла и изготовлению поделок.
tehnika.expert
Изготовление прибора с ЧПУ
При больших объёмах работ обычный гравёр не справится с нагрузкой. Если вы собираетесь использовать его часто и много, вам понадобится устройство с числовым программным управлением.
Сборка внутренней части
Даже в домашних условиях можно сделать лазерный гравёр. Для этого из принтера нужно извлечь шаговые двигатели и направляющие. Они будут приводить в движение лазер.
Полный список необходимых деталей выглядит следующим образом:
Схема подключения всех компонентов:
Расшифровка обозначений:
Измерьте длину направляющих и разделите их на две группы. В первой окажутся 4 коротких, во второй — 2 длинных. Направляющие из одной группы должны быть одинаковой длины.
Добавьте к длине каждой группы направляющих по 10 сантиметров и вырежьте по полученным размерам основание. Из обрезков согните П-образные опоры для креплений и приварите их к основанию. Разметьте и просверлите в них отверстия для болтов.
Просверлите в радиаторе отверстие и вклейте туда лазер, используя теплопроводящий клей. К нему припаяйте провода и транзистор. Болтами прикрутите радиатор к каретке.
Установите на две опоры крепления для направляющих и зафиксируйте их болтами. Вставьте в крепления направляющие оси Y, на их свободные концы наденьте каретки оси X. В них вденьте оставшиеся направляющие с установленной на них лазерной головкой. Наденьте на направляющие оси Y крепления и прикрутите их к опорам.
Кабель + коннектор
По мотивам 12-вольтовой бормашины Proxxon Micromot 50/EF, додумался установить кабель питания «спираль», который не так мешается и отличается повышенной гибкостью. В хозяйстве такой нашёлся — от старой электробритвы Филипс. Не стал делать его съёмным, припаял сразу к двиглу, хотя можно было для пущей эргономики немного подвинуть кнопку в сторонку и притулить на торец гнездо типа «женщин».

Коннекторы выбирал по надёжности, но в зелёный цветовой ансамбль они тоже вписались неплохо. Рекомендую. Они — аккуратные и практичные, контакт плотный. Брал в реале, но такие изделия на Али тоже есть, стоят недорого — как вариант: aliexpress.com/item/10-Pcs-CCTV-Cameras-2-1mm-x-5-5mm-Male-DC-Power-Plug-Adapter-DC-Power/32598414355.html (1,7 у.е. за 10 штук).

Процесс изготовления
Когда вы подготовили корпус и сердцевину, можно приступать к непосредственно сборке дрели своими руками:
- Поместите в баночку соединённые друг с другом патрон с моторчиком. Это нужно делать так, чтобы провода, которые торчат из патрона, затем разместились в крышке баночки.
- Когда патрон целиком войдёт в банку, зафиксируйте его. Для этого залейте пустоты по бокам термоклеем, и дождитесь, пока он полностью схватится.
- Закрепите выключатель на крышечке и присоедините к нему провода питания. Его тоже можно посадить на клей.
- Присоединяем все провода к выключателю, схема присоединения используется стандартная. Можете для точности использовать амперметр.
- После присоединения проводов, их нужно изолировать при помощи изоленты или термоклея.
- Прикручиваем крышку к баночке и с другой стороны крепим сверло.
Готовая мини-дрель хороша тем, что она может работать как на батарейках, так и от электрического питания. Мы рассмотрели вариант сборки универсальной модели.
Естественно, что не имея навыков работы с электричеством, собрать такую дрель своими руками будет крайне непросто. Ниже предлагаем вам рассмотреть варианты сборки более простых дрелей для мелких бытовых нужд.
Как собрать своими руками дрель на основе корпуса ручки

Для её изготовления вам потребуются такие материалы: шариковая ручка-автомат; сверло с требуемым диаметром; термоклей; прочная палочка с ручками на конце, с помощью которых её можно вращать.
Особое внимание уделяйте выбору ручки для изготовления будущей дрели, а конкретно, её корпусу, поскольку при работе основная нагрузка будет приходиться именно на корпус. Требования к корпусу ручки такие:. Требования к корпусу ручки такие:
Требования к корпусу ручки такие:
Требования к корпусу ручки такие:
- он должен быть максимально прочным, чтобы выдерживать нагрузки;
- оптимальный вариант – корпус на основе качественных металлов;
- если нет ручки с металлическим корпусом, выбирайте ручку на основе толстой пластмассы.
Процесс сборки выглядит следующим образом:
- Разбирайте ручку до того момента, пока от неё останется только один корпус.
- Нижняя часть корпуса, откуда обычно торчит стержень для письма, нужно открутить.
- Вместо этой части, вставьте в корпус сверло таким способом, чтобы его рабочая часть торчала из-под нижней части, а вторая часть была вставлена в отверстие, которое есть в палочке.
- Палочка вставляется в корпус одновременно со сверлом.
- Чтобы конструкция дрели была целостной, её фиксируют к стенке корпуса с помощью термоклея.
- Когда вы будете крутить механизм за специальные ручки, будет вращаться сверло, обеспечивая нужную работу посредством нажатия на корпус ручки.
https://youtube.com/watch?v=kKLL_tvTc94
Подготовка деталей будущей бормашины
Начать следует с изготовления трубки из длинного винта. Для этого нужно зажать в тисках дрель (это необходимо сделать за ручку, за корпус нельзя зажимать ни в коем случае). В патроне фиксируется болт без шляпки, а на его резьбовую сторону наворачивается кран Маевского – он будет использован в качестве направляющей. После подбирается сверло, подходящее под отверстие крана, дрель включается и винт просверливается ровно по центру на максимально возможную длину.
Винт необходимо просверлить по центру на всю длину ФОТО: youtube.com
Дальнейшая работа требует предельной аккуратности. При помощи двух надфилей, между которыми будет вращаться зажатый в патроне дрели винт, нужно снять резьбу так, чтобы на получившуюся втулку можно было насадить подшипники
При этом, с ближней к патрону стороны должно остаться около 6-8 см неповреждённой резьбы – это очень важно
При помощи надфилей винт обтачивается до нужного диаметра ФОТО: youtube.com
Бормашина из блендера
Своими руками можно собрать инструмент, используя различные электродвигатели. Погружной блендер — не исключение. Принцип такой же, как и при использовании электродрели.

Для начала работы необходимо открыть корпус, чтобы добраться до вала ротора. Для соединения с гибким валом необходимо изготовить переходник, который будет фиксироваться болтом. Пример его можно посмотреть на фото выше.
Использование гибкого вала необязательно. Можно обойтись без него. В таком случае необходимо подготовить патрон, который надежно будет фиксироваться к валу блендера. К этому же патрону крепят цанговый зажим.

Полный аналог фабричного «дремеля»
Для изготовления понадобится моторчик с питанием 5V или 12V, который можно извлечь из сломанной детской игрушки, миниатюрного вентилятора, принтера, магнитофона, или просто купить на Aliexpress. Если дрель планируется использовать не только для сверления печатных плат, можно изготовить удобный корпус из полипропиленовой водопроводной трубы. Подбираем диаметр таким образом, чтобы мотор плотно держался за стенки. Вентиляция, как правило, проходит вдоль вала. Можно использовать пустую тубу из-под строительного герметика.

Торцевые заглушки выпиливаются из любого материала: например, ПВХ или акрила. Если двигатель достаточно мощный – зарядное устройство от старого мобильника не подойдет. Нужен запас по току хотя бы 3А (для 5 вольт). Хороший вариант – старый блок питания от компьютера (можно за копейки приобрести на радиорынке).
Совет: Из компьютерного блока питания можно сделать универсальный источник для домашней мастерской. Стабильное питание 5V с нагрузкой до 20 ампер, и 12V с нагрузкой до 8 ампер. Можно подключать и «дремель», и паяльник.
Цанговый патрон приобретается в магазине: отдел комплектующих для граверов и «дремелей». Если есть необходимость регулировки оборотов – можно изготовить схему самостоятельно, или приобрести готовый блок.
На иллюстрации китайский регулятор и блок питания от интернет-роутера (12V, 1,2A).

С помощью такого самодельного «дремеля» можно не только сверлить миниатюрные отверстия. Установив соответствующую насадку, вы сможете работать фрезой, шарошкой, или отрезным диском.

Самодельный дремель из дрели и блендера
Если имеется старый либо ненужный блендер, то из него также несложно сделать мини-дрель. У этого бытового прибора уже есть удобная рукоять. Кроме самого блендера, понадобятся еще такие приспособления и дополнительные детали:
- инструменты, чтобы разобрать устройство (отвертки с разными наконечниками, плоскогубцы);
- штангенциркуль либо линейка;
- цанговый патрон;
- паяльник с набором для пайки;
- нож;
- напильник для финишной обработки, наждачная бумага;
- переключатель.
Можно обойтись и без последней детали, но тогда потребуется во время работы с прямошлифовальной машиной постоянно зажимать рукой кнопку включения.
Гравер из блендера создают так:
аккуратно разбирают бытовую технику;
достают внутренние детали: электродвигатель и печатную плату, которая управляет работой устройства;
используя штангенциркуль, измеряют диаметр шпинделя, чтобы приобрести подходящий под него цанговый патрон;
если электромотор загрязнен чем-либо, например, ржавчиной, то его тщательно, с осторожностью, чтобы не повредить обмотки, очищают;
фиксируют купленный цанговый патрон (либо сделанный самостоятельно) на шпинделе;
кнопку включения, уже имеющуюся на блендере, заменяют переключателем: перепаивают контакты проводов;
приспосабливают в корпусе бытового прибора отверстие под новый переключатель;
устанавливают электродвигатель с платой на свои места внутри корпуса;
собирают инструмент.
В зависимости от модели переделываемого блендера может понадобиться сделать дополнительные отверстия в его корпусе, либо расширять с помощью напильника уже существующие. Проделать это не составит никаких проблем
Весь описанный процесс сборки дремеля из блендера детально продемонстрирован в видеоролике ниже.
Можно не переделывать блендер, а просто подсоединить к нему гибкий вал для гравера заводского производства. Способ состыковки показан в ролике далее.
Можно также изготовить гравер из дрели. Сборка вариантов с гибким валом и без него показана в следующих видеороликах.
Пошаговая инструкция по изготовлению лазерного гравёра по дереву своими руками
Перед тем как приступить к работе, следует запомнить – лазерный луч довольно опасен. Если он попадает на роговицу глаза, необходимо немедленно обращаться к врачу. В противном случае последствия могут быть самыми плачевными, вплоть до полной потери зрения.
Подготовка материала корпуса
Для начала необходимо подготовить гильзы, чтобы они были пригодны для изготовления корпуса ручного лазерного гравёра. Для этого нужно взять сверло, хвостовик которого подходит по диаметру к горлышку гильзы от патрона 7,62 мм.
Поджимая плоскогубцами и постоянно увеличивая диаметр, можно полностью выправить гильзу, придав ей форму ровного цилиндра.

После следует проверить размеры. Выправленная гильза должна довольно плотно входить в восьмимиллиметровую. При этом она должна двигаться, что необходимо впоследствии для регулировки.

Выбор лазерного светодиода: какой подходит
Следует обратить внимание, что привод, из которого извлекается светодиод, должен иметь функцию записи. Именно записывающий лазер можно использовать как гравёр
Для того чтобы определить, какой из двух подойдёт, нужно подать на них питание. Если свечения нет, значит, это считывающий элемент. Но стоит быть осторожным, чтобы луч при этом не попал в глаза.

Следующий шаг – подбор линзы
Линзу можно извлечь из того же привода. Они могут быть двух размеров, при этом подойдёт любая. Более крупная хорошо встанет в расправленную гильзу, ну а маленькой найдётся место позади после удаления капсюля.
Не пропустите: Рейсмусовый станок: назначение, устройство, типы, как выбрать

При демонтаже линзы следует быть особенно аккуратным. Если повредить её рабочую поверхность, линза будет непригодна для гравёра, придётся искать новую.
Снять линзу несложно, она просто проклеена по краям. Для демонтажа можно использовать как нож или резачок, так и обычную шлицевую отвёртку. Правда, перед работой её потребуется немного подточить.

Удаление капсюлей из гильз и последующая сборка
Капсюли выбиваются из гильзы очень просто. Для этого потребуется кернер и круглая насадка от мясорубки. Гильза устанавливается на неё капсюлем вниз, изнутри надставляется кернер, по которому производится пара ударов молотком.

Теперь отверстия от выбитых капсюлей требуется рассверлить. Проблема заключается в том, что гильзу в тисках не зажать, она сразу помнётся.
Но выход есть. Гильзу необходимо зажать в патрон дрели или шуруповёрта. Три губки равномерно сожмут и надёжно зафиксируют её. Однако с затяжкой и здесь не стоит перебарщивать, всему есть предел.

Также можно поступить следующим образом. В патрон дрели или шуруповёрта зажимается сверло, а сама гильза фиксируется при помощи наждачной бумаги.
Однако такой способ опасен, не исключено получение травм, поэтому редакция Homius не рекомендует его использовать.

Остаётся поместить светодиод в отверстие, где был капсюль, и зафиксировать его при помощи термоклея, а также зафиксировать линзу во второй гильзе. Луч будет регулироваться вытягиванием гильзы с линзой.

Подключение электрической части для подачи питания
Для подключения можно использовать любой питающий порт. В данном случае было выбрано гнездо от отслужившего своё принтера.
Его требуется разобрать и обточить так, чтобы оно плотно встало внутри латунной трубки, после чего припаять к плюсовому контакту сопротивление на 30 Ом.

Кнопку питания также нужно модернизировать, соединив её контакты сопротивлением 50 Ом. Это позволит получить слабый луч при отпущенной кнопке, чтобы примериться. При нажатии лазер начнёт работать в полную силу.

Что же должно получиться в итоге
После того как в латунной трубке будет размещена и зафиксирована кнопка, можно собрать конструкцию воедино. При этом внешняя часть питающего штекера должна касаться трубки. Это и будет минусовым контактом.

Остаётся проверить его в работе. Кстати, он подойдёт и для выпаивания SMD-элементов, если немного убавить мощность луча, двигая гильзу с линзой.

Более подробно мастер-класс по изготовлению подобного устройства можно увидеть в этом видео.
Какие материалы нужны для создания мини дрели своими руками?
Разумеется, электродвигатель
Питание желательно не более 12 вольт: как минимум, из соображений безопасности.
Блок питания, по возможности с регулятором напряжения (для изменения количества оборотов вала).
Корпус (в самых примитивных конструкциях можно обойтись без него).
И вторая по важности деталь (после моторчика) – патрон для сверла.. Все, кроме электромотора можно изготовить самостоятельно
Хотя, стоимость остальных комплектующих настолько мизерна, что можно ограничиться лишь сборкой электроинструмента из готовых узлов
Все, кроме электромотора можно изготовить самостоятельно. Хотя, стоимость остальных комплектующих настолько мизерна, что можно ограничиться лишь сборкой электроинструмента из готовых узлов.
Рассмотрим несколько опробованных вариантов
Экономный вариант без корпуса
Переходим к созданию мини дрели с минимальными затратами. Не покупаем ничего, кроме собственно моторчика (хотя и его можно бесплатно найти в старой технике). Большинство компактных электродвигателей рассчитаны на постоянное напряжение 12 вольт. Под него и создаем блок питания.
Поскольку никаких дополнительных опций не будет (регулятор оборотов, стабилизатор напряжения), блок питания стабилизируется постоянной нагрузкой. Типичный 12 вольтовый микродвигатель работает с током, не превышающим 2 ампера. Простой расчет показывает, что мощность на выходе должна быть 24 Вт. Добавляем 25% на потери при выпрямлении, получаем трансформатор 30 Вт.
Чтобы получить 12 вольт под нагрузкой, с вторичной обмотки необходимо снять 16 вольт. Изготовить такой трансформатор можно за час, из любого ненужного блока питания. Далее – выпрямительный мост на любых диодах: например, 1N1007.

Нашему мотору ни к чему пульсации выпрямленного напряжения, поэтому на выходе подключаем электролитический конденсатор на 25 вольт емкостью около 1000 мкФ. Он будет сглаживать выходной ток. Несмотря на простоту, такой тандем работает устойчиво, с одним лишь недостатком: при повышении нагрузки напряжение падает. То есть, при равномерном вращении – блок питания выдает 12 вольт. А если вы сверлите «тяжелый» материал – надо следить за оборотами, не давая им опуститься. Иначе вал просто остановится.
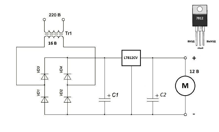
Можно немного усложнить схему блока питания, добавив подходящий стабилизатор напряжения. Например, КР142ЕН8Б или L7812CV.

В этом случае падения напряжения при нагрузке на сверло не будет.
Далее нужно изготовить достаточно точный элемент конструкции – патрон для сверла. Не хотите тратить деньги на фабричный цанговый зажим – подойдет любая втулка. Все зависит от сферы применения мини дрели:
Если вы будете сверлить только текстолит печатных плат – смена сверла не потребуется. Значит крепим его стационарно. Переходную втулку можно сделать из чего угодно: трубка от телескопической антенны, игла от медицинского шприца, стержень от гелевой авторучки.

Учитывая миниатюрность конструкции, никакие зажимы не нужны. Все можно закрепить клеем или скотчем.
При универсальном использовании дрели, подразумевающим смену сверла или установку иных насадок, правильнее будет приобрести универсальный цанговый патрон.

Можно использовать стандартный кулачковый патрон, установив его на вал с помощью переходной втулки.

Исполнение корпуса зависит только от вашей фантазии. Большинство мастеров оставляют «голую» утилитарную конструкцию: напряжение питания безопасное, размеры моторчика позволяют удерживать его в руках без корпуса.

Если хочется элементарной эстетики – вариантов множество: и все они условно бесплатны.

Самодельный инструмент не просто экономит финансовые средства. Его можно изготовить в точности под ваши задачи, в отличие от универсальных фабричных вариантов.























