Достоинства и недостатки
У аппаратов косвенного типа имеются свои сильные и слабые стороны.
Достоинства
К достоинствам агрегата можно отнести:
- низкую в сравнении с другими видами нагрева себестоимость получения горячей жидкости, при этом нет расхода электричества;
 - способность производства большого количества горячей воды;
 - возможность одновременной подачи сантехнической жидкости по разным направлениям;
 - возможность подключения к разным источникам тепла (солнечная батарея, газовый котел и электрокотел, твердотопливный котел).
 
Недостатки
Основные минусы косвенников:
- дороговизна всего оборудования;
 - на нагрев жидкости в баке уходит больше времени, если сравнивать с электрическим или газовым бойлером, при этом падает температура в системе отопления, что отражается на интенсивности обогрева комнат;
 - бойлеры, особенно больших размеров, занимают много места — для установки всей конструкции иногда требуется отдельное помещение.
 
Таким образом, агрегаты косвенного типа являются идеальным вариантом недорогого источника горячей воды для частных домов, а также для налаживания ГВС в барах, столовых, ресторанах и других пунктах, где требуется большое количество нагретой жидкости. Хотя первоначальные вложения значительные, в дальнейшем экономия будет существенной.
Виды бойлеров косвенного нагрева
Классические модели
Бойлер косвенного нагрева – цилиндрический, кубический или прямоугольно-параллелепипедный аппарат накопительного типа, с помощью которого производится и подается горячая вода к смесителям сантехнических приборов. Устанавливается в столовых, барах, ресторанах, а также в домах с автономным или (и) централизованным отоплением с целью создания системы ГВС.
В конструкцию и комплектацию агрегата входят: корпус, состоящий из внешнего кожуха, утеплителя и внутреннего бака; змеевик-теплообменник, магниевый анод и рециркуляционный патрубок; подвод/отвод для холодной/горячей воды и вход/выход для циркулирующего теплоносителя; насос, термометр, термостат, сливной кран, водный фильтр и трехходовой клапан; группа безопасности и блок управления. Крепится прибор вертикально в непосредственной близости от котла в специально предусмотренном помещении: объемом ≤ 200 л к капитальной стене, емкостью ˃ 200 л – к полу.
Отличительная особенность рассматриваемого накопителя – отсутствие штатного источника питания, место которого занимает котел, вырабатывающий энергию для отопительной системы. Чтобы к мойке, раковине, ванне и душу поступала горячая вода, агрегат «привязан» одним замкнутым контуром к СГВС, другим – к СО.
Часть теплоносителя, предназначенного для радиаторов, направляется в бак, сверху вниз проходит через змеевик, возвращается в котел; холодная вода подается в емкость, снизу вверх нагревается от теплообменника, под давлением движется к смесителям, по кольцевому трубопроводу рециркулирует обратно.
Поскольку доля тепловой энергии, предназначенной для отопления, потребляется бойлером, одноконтурный котел подбирается с 30-процентным запасом мощности, кроме того, на входе в бак устанавливается 3-ходовой клапан, который посредством реле регулирует баланс между системами. Не менее полезен утеплитель, благодаря наличию которого вода за сутки остывает всего лишь на 2…4 °С.
Преимущества классических бойлеров косвенного нагрева:
- высокая производительность – одновременная подача к нескольким точкам разбора;
 - возможность рециркуляции – после открытия крана мгновенно поступает горячая вода;
 - наличие теплоизоляции – жидкость остывает в сутки не более чем на 4 °С;
 - фактор косвенного нагрева – низкая себестоимость получаемой воды;
 - простота конструкции – удобство пользования.
 
Недостатки:
- длительность нагрева при больших габаритах бака;
 - периодический отбор тепла из системы отопления;
 - невысокая эффективность в сезон «весна-осень».
 
Как видно, наибольший плюс классических моделей – отсутствие потребления электричества, газа или другого топлива. Существенный минус – по завершении отопительного сезона это преимущество теряет силу.
Комбинированные модели
Комбинированный бойлер – это усовершенствованная модификация классической модели, которая после отключения отопления использует собственные источники энергии.
Конструктивное исполнение предусматривает: дополнительный теплообменник под контур, например, с солнечной батареей; фланец для присоединения «мокрого» или «сухого» ТЭНа. Эти устройства, в зависимости от целесообразности, работают как в паре с отопительным котлом, так и самостоятельно – ТЭН, во избежание преждевременного износа, на время длительного простоя отключается от бака.
Кроме данных устройств, в сеть ГВС может врезаться тепловой насос или (и) система централизованного отопления. Для обеспечения безопасности, так же как и в случае с классической версией, устанавливаются: на входе в накопитель – обратный и предохранительный клапаны для предотвращения обратного тока и слива излишек воды; на выходе – гидроаккумулятор для регулирования объема жидкости, меняющегося под воздействием температуры.
Преимущества комбинированных бойлеров косвенного нагрева:
- широкие возможности комплектации источниками питания;
 - доступность эксплуатации только 1 либо сразу 2 теплообменников;
 - высокие теплосберегающие характеристики;
 - эффективное обеспечение горячей водой;
 - несложное периодическое обслуживание;
 - комфортность пользования.
 
Недостатки:
- сравнительно непростой монтаж системы;
 - высокая общая стоимость.
 
По сравнению с классическими комбинированные модели более практичные, поскольку обладают возможностями подключить ТЭН и второй контур подогрева. Правда, за дополнительные источники энергии нужно платить.
Как выбрать бойлер косвенного нагрева
Общее строение мало чем отличается от привычных устройство накопительного типа. Корпус имеет форму параллелепипеда или цилиндра. Вместительность резервуара в бытовых устройствах составляет 100-300 л. Для оборудования, применяемого на предприятиях, в зависимости от их масштаба, этот показатель составляет 1-2 м3. Бак, выполненный из нержавейки, размещен в корпусе.
Для защиты стенок от коррозии предусмотрено эмалевое покрытие. Внутри расположен медный, латунный или стальной теплообменник. Он представляет собой змеевик, по которому происходит циркуляция теплоносителя. Назначение теплообменника – отдача тепла воде. Работает такое оборудование вместе с отопительным котлом на газовом, твердом горючем или на ДТ.
Преимущества:
- отсутствие нагрузок на проводку;
 - высокий уровень производительности (прибор обслуживает несколько точек водозабора);
 - продолжительный срок службы;
 - возможность подсоединения к различным источникам тепла.
 
Есть и некоторые недостатки:
- высокая цена, если сравнивать с другими разновидностями бойлеров;
 - относительно длительный нагрев воды. В среднем, временные затраты составляют 1-2 часа;
 - сезонное применении при использовании с одноконтурной системой.
 
Рассмотрим основные показатели, которые нужно учесть при подборе оборудования.
Объём бака
Здесь можно посоветовать лишь одно. Подбирать устройство следует, отталкиваясь от числа потребителей. Практика показывает, что бака на 100 литров вполне достаточно для семьи на 3-4 человека. Если вы хотите купить бойлер для дачного домика, то и 80-литрового варианта вполне довольно. Нужно учитывать, что, чем больше резервуар, тем длительнее процесс нагревания воды.
Устройство теплообменника
Закономерность такова: с увеличением площади теплообменника вода нагревается быстрее. Оптимальными материалами с наилучшей теплоотдачей считаются латунь и медь. Показатель теплоотдачи для стали несколько ниже. Однако, медные змеевики имеют довольно высокую стоимость. Наилучшим вариантом, по мнению специалистов, являются латунные трубки. Они замечательно отдают тепло и легко очищаются.
Наличие ТЭН
Бойлер, оборудованный ТЭНом или, как вариант, с возможностью оснащения нагревательным элементом, имеет более широкую область применения. В летнее время им можно воспользоваться как обычным накопительным водогрейным устройством.
Материал бака
Прежде чем купить тот или иной прибор, надо обратить внимание на материал изготовления резервуара. Тестирование показывает, что наилучшим образом зарекомендовали себя емкости из нержавейки или стали
Важный момент — покрытие от коррозии, керамическое или стеклокерамическое. Желательно наличие и дополнительной антикоррозионной защиты в виде магниевого анода.
Рабочее давление
Этот параметр обязательно указывается в характеристиках модели. Вариативность его составляет 6-11 бар. Для современных квартир этот показатель очень важен, поскольку скачки давления в водопроводной системе – не редкость. Чтобы меньше зависеть от подобных неприятностей, устанавливают на входе редуктор.
Основные неисправности
Правильная схема монтажа и подключения конструкции
В бойлерах чисто косвенного типа отсутствуют электронагревательные элементы, которые чаще всего выходят из строя. По этой же причине резко снижается возможность появления накипи на стенках емкости с водой. Поэтому главной проблемой могут стать только протечки самого резервуара и подводящих трубопроводов. Современные материалы баков делают подобную неисправность маловероятной. Но если она все же случилась, то устранить ее можно только с применением сварки, что требует обращения в сервисный центр.
Самостоятельно допускается подтяжка соединительных фитингов и возможная замена ТЭНов, если они предусмотрены в комплектации бойлера.
Бойлер косвенного нагрева: принцип работы
Циркулируя в системе “Котел-теплообменник-трубопровод-котел” теплоноситель отдает часть энергии холодной воде, находящейся в резервуаре, постепенно нагревая ее до нужной температуры. Процесс идентичен происходящему в устройстве отопления: только здесь теплообменник выступает в качестве радиатора, а вместо воздуха нагревается вода.
Скорость и степень разогрева зависят от мощности котла и площади поверхности теплообменника.
Чтобы не тратить время на ожидание того, как горячая вода дойдет от нагревателя к крану, используют систему рециркуляции, с помощью специального насоса создавая непрерывную циркуляцию воды по замкнутому контуру.
Схемы и правила подключения БКН
Схема подключения и особенности монтажа бойлера косвенного нагрева зависят от класса прибора и системы отопления в доме. Необходимо правильно выбрать место установки, ориентируясь на расположение котла, врезку насосов и уже имеющуюся разводку. Попробуем разобраться, что необходимо учесть при монтаже нагревательного оборудования.
Вариант #1 – обвязка с трехходовым клапаном
Это одна из наиболее популярных схем, так как при ее применении происходит параллельное подключение отопительной системы и БКН, оснащенное запорной арматурой. Бойлер необходимо установить около котла, на подачу врезать циркуляционный насос, затем трехходовой клапан.
Данная схема успешно применяется, если используется несколько обогревательных приборов, например, два разных котла.
Трехходовой клапан – это своеобразный переключатель, который управляется термореле. При понижении температуры срабатывает автоматика, и поток теплоносителя с обогревательного контура перенаправляется в БКН
По сути, это система с приоритетом, которая обеспечивает быстрый нагрев воды в бойлере при полном отключении радиаторов на некоторое время. Как только температура повышается до заданного значения, вновь срабатывает трехходовой клапан и возвращает теплоноситель в прежнее русло – в отопительную систему. Этот способ обвязки пригодится тем, кто использует бойлер в постоянном режиме
Вариант #2 – схема с двумя циркуляционными насосами
Если бойлер применяют редко (например, сезонно или по выходным) или появилась необходимость в воде, температура которой ниже, чем в системе обогрева, применяют схему с двумя Система водяного отопления с принудительной циркуляцией: схемы, варианты реализации, технические тонкости циркуляционными насосами. Первый устанавливают на трубе подачи, непосредственно перед БКН, второй – на контуре отопления.
Циркуляционный насос запитан через термореле, поэтому начинает действовать только при снижении температуры ниже требуемой. Ускорение нагрева происходит вместе с включением принудительной циркуляции
Трехходовой клапан в данной схеме отсутствует, обвязка оборудована с применением простых соединительных тройников.
Вариант #3 – обвязка с гидравлической стрелкой
Это подключение используют для объемных бойлеров (200 л и более) и разветвленных отопительных систем с множеством дополнительных контуров. Примером может служить система отопления в двухэтажном доме, где кроме многоконтурной радиаторной сети используются теплые полы.
Гидравлический распределитель (гидрострелка) необходим, чтобы упростить схему отопительной системы и избежать монтажа рециркуляционных насосов на каждую отопительную ветку
Оборудование гидрострелки позволяет избежать теплового удара, так как давление воды в каждом контуре будет одинаковым. Самостоятельно сделать обвязку по данной схеме довольно сложно, поэтому лучше обратиться к профессиональным монтажникам.
Вариант #4 – использование рециркуляции теплоносителя
Рециркуляция полезна, когда присутствует контур, нуждающийся в постоянной подаче горячей воды – например, полотенцесушитель. Если его подключить к системе отопления, теплоноситель будет постоянно циркулировать, а сушилка функционировать и одновременно служить отопительным прибором.
Применение рециркуляции обладает одним большим преимуществом – не нужно ждать, когда вода нагреется до нужной температуры, она всегда будет горячей
Но у этой схемы есть и недостатки. Главный – это увеличение расходов на топливо, потому что требуется постоянный прогрев охлаждаемой в контуре воды. Второй минус – смешивание воды в бойлере. Обычно горячая вода находится в верхней части, и оттуда поступает к точкам водоразбора, здесь же она перемешивается с холодной, вследствие чего на выходе температура немного ниже.
Существуют модели бойлеров со встроенной рециркуляцией, то есть с готовыми патрубками для подключения полотенцесушителя. Но дешевле приобрести обычный бак, применив для подключения тройники.
Вариант #5 – система с энергонезависимым котлом
Отличительная особенность данной схемы – установка бойлера на более высоком уровне, чем котел и отопительные приборы. Предпочтение отдается настенным моделям, которые можно подвесить на высоте 1 м над полом.
Напольные модели конкретно в рамках данной схемы уступают настенным скоростью и качеством нагрева. Температура воды значительно ниже (примерно как в обратном трубопроводе), следовательно, и запас горячей воды меньше
Энергонезависимый тип отопления строится на применении законов гравитации, следовательно, теплоноситель будет циркулировать и при отключении электричества. В обычном режиме можно подключит циркуляционные насосы.
Водонагреватели накопительные

По принципу работы и строению они напоминают электрические типы водонагревателей. Наружный металлический корпус, внутренний бак также имеет защитное покрытие, только в качестве источника энергии выступает газовая горелка. Такое оборудование предусматривает работу на сжиженном или магистральном газе, в том числе и на слабом потоке, не требует подключения к электрической сети.
Стоит отметить, что этот вид пользуется меньшей популярностью, чем его электрический конкурент. Это обусловлено большой ценой, большим габаритам и возможностью установки не во всех домах. Но, по утверждению специалистов, высокая цена такого оборудования окупится во время его эксплуатации, поскольку газ, как источник энергии, значительно экономнее электричества.
В зависимости от особенностей строения такое оборудование подразделяется на два вида:
- с закрытой камерой сгорания;
 - с открытой камерой сгорания.
 
Так же как и электрические бойлеры, они могут быть:
- настенными — объемом от 10 до 100 литров (например, модели Ariston серии SGA);
 - напольными — от 120 и более литров (как модели Ariston серии NHRE).
 
Газовая конструкция также предусматривает систему управления с выбором температурного режима, оснащена терморегулятором для поддержания необходимой температуры, показывает, сколько горячей воды осталось в резервуаре. Такое оборудование должно быть обязательно оснащено системой безопасности.

Но тут вступают в действие ограничения пропускной способности электросети. Уже для водонагревателя мощностью 8 кВт, сечение медного провода должно быть 4 мм, а для алюминиевого, с таким же сечением максимальная нагрузка 6 кВт.
При этом, в больших городах сетевое напряжение практически всегда 220V. В деревнях, небольших посёлках или дачных массивах, оно часто опускается гораздо ниже. А именно там и требуется водонагреватель.
Лучшие бойлеры косвенного нагрева до 150 л
Бойлеры косвенного нагрева емкостью до 150 л решают сразу несколько задач. В бытовых условиях такого объема достаточно для эффективного обеспечения горячей водой большой семьи из 4-6 человек. Несколько точек подачи воды позволяют выводить ее в ванную и кухню одновременно, а большой запас исключает какие-либо перебои. В коммерческих целях бойлеры найдут применение в небольших гостиницах, хостелах, отелях в качестве дополнительного или резервного источника ГВС. Несмотря на вместительность, водонагреватели экономичны, а нагрев воды до заданной температуры происходит сравнительно быстро. Время зависит от модели, лучшие бойлеры разогреют полный объем за 20-30 минут.
1. BAXI Premier Plus 150

BAXI делает одни из лучших водонагревателей на рынке по надежности и долговечности. Модель Premier Plus 150 изготовлена из нержавеющей стали, устойчивой к коррозии, в нее смонтирован современный нагреватель типа «змеевик в змеевике». Полезный объем – 150 л, естественно, предусмотрена установка дополнительного ТЭНа, есть защита от перегрева. Бойлер косвенного нагрева не отличается многофункциональностью, зато обладает простым управлением и длительным сроком службы в 10 лет.
Достоинства:
- высокое качество изготовления;
 - долговечность и надежность;
 - универсальное крепление;
 - эффективен и экономичен;
 - отличная теплоизоляция.
 
Недостатки:
высокая цена.
2. Hajdu ID 40A

Новинка 2018 года ID 40A от Hajdu вошла в рейтинге бойлеров косвенного нагрева за счет доступной цены и неплохого качества. Среди основных особенностей – эффективная теплоизоляция из вспененного пенополиуретана, качественная и долговечная стеклоэмаль и магниевый анод, обеспечивающие высокую защиту от коррозии и протечек. Штатная поставка максимально урезана для снижения цены, дополнительно можно установить ТЭН, термостат, термометр и систему автоматического запуска. По отзывам пользователей, устройства венгерского производителя безотказно служат долгое время.
Достоинства:
- доступная цена;
 - возможность апгрейда – установка автоматики, ТЭНов;
 - хорошая антикоррозийная защита;
 - прекрасная производительность (610 л/ч);
 - эффективная защита от теплопотери;
 - вход линии рециркуляции;
 - быстрый нагрев до 95 градусов.
 
3. Gorenje GV 150

Профессиональный и недорогой бойлер косвенного нагрева вместимостью 150 л обеспечит полноценное снабжение горячей водой большую семью, а также подходит для использования в коммерческих целях. Полный объем прогревается до 75 градусов всего за 18 минут, что становится рекордом среди моделей данного класса. Толщина теплоизоляционного слоя в 4 см обеспечивает эффективное препятствие теплопотерям. Удобство использования заключается в нескольких точках водоразбора, простом монтаже на пол. Выделяет водонагреватель и оснащение, помимо стандартной защиты от перегрева и магниевого анода, здесь есть термометр, индикатор нагрева и включения, а также обратный клапан.
Достоинства:
- подсоединение к дополнительному источнику теплоэнергии;
 - высококачественная изоляция;
 - есть возможность установки под газовым котлом;
 - большая площадь трубчатого теплообменника;
 - удобное механическое управление.
 
Недостатки:
некоторые модели с ошибочной маркировкой входа холодной и горячей воды.
4. Ariston BCH CD1 120

Качественный бойлер классической цилиндрической формы с напольным монтажом и верхней подводкой отличает хорошая сборка. Полезный объем – 120 л, нагрев воды – до 90 градусов. Функционал скромен – только индикация включения. Зато его можно подсоединить к любому котлу или отопительной системе, он совместим с оборудованием смешанного типа. Внутреннее покрытие – эмаль, нанесенная в соответствие со стандартом DIN 4753 при температуре 850 градусов. Надежный бойлер с магниевым анодом и спиральным теплообменником довольно эффективен и надежен, нарекания полностью отсутствуют. Дополнительно можно приобрести и электротэн, второй титановый или магниевый анод, прочие комплектующие для апгрейда.
Достоинства:
- высококачественное эмалированное покрытие;
 - универсальный тип установки;
 - быстрый нагрев за 21 минуту;
 - страна-производитель Италия.
 
Недостатки:
отсутствие термометра и автоматики, дополнительных датчиков.
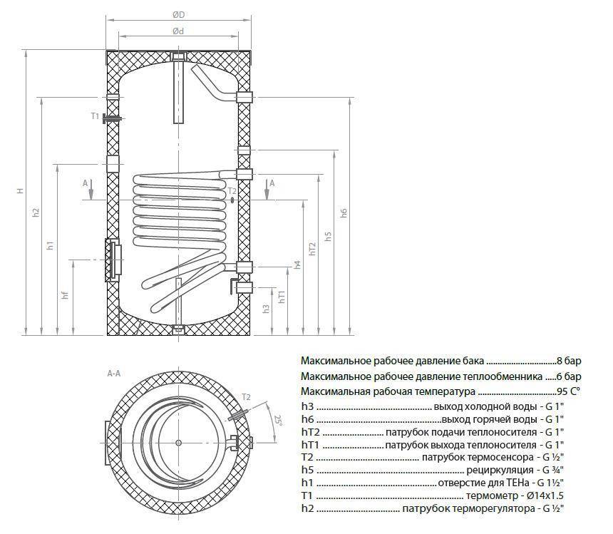
Устройство бойлера косвенного нагрева
Внешне — это металлический резервуар, изготовленный в виде цилиндра, внутри которого располагается теплообменник.
Для изготовления теплообменника используют низкоуглеродистую сталь, а для предотвращения коррозии внутреннюю поверхность покрывают защитным слоем. Для теплоизоляции на бак монтируются слои утеплителя — из пенополиуретана либо полиэфира.
Внутри бака находятся:
- Теплообменник — основной элемент, представляющий собой изогнутую спиралью трубку (змеевик), по которой движется теплоноситель (вода/антифриз);
 - Массивный магниевый анод — устанавливается для защиты внутренних элементов от гальванической коррозии;
 - Температурный датчик (термостат) — регулирует работу насосов, останавливая/запуская процесс нагревания в зависимости от заданного уровня нагрева;
 - Предохранительный клапан — нужен, чтобы не допускать опасного повышения давления.
 

Дополнительные элементы:
- Автоматический воздухоотводчик, предотвращающий “завоздушивание” насосов при выполнении запуска;
 - Встроенный электронагреватель (ТЭН);
 
На что обратить внимание при выборе БКН
Один из основных параметров, который должен стать решающим аргументом при покупке бойлера – его вместительность. Чтобы узнать необходимую емкость бака, советуем ориентироваться на количество человек в вашей семье.
Рекомендации по литражу:
- 80-100 л – 2 потребителя;
 - 100-120 л – 3 человека;
 - 120-150 л – 4 пользователя;
 - 150-200 л – 5 потребителей.
 
Важно разделять понятия «общая емкость бака» и «рабочая емкость», ведь спиральная труба, расположенная внутри бойлера, занимает значительную площадь. Поэтому обязательно уточните при покупке, сколько реально воды помещается в прибор. В технических характеристиках этот нюанс должен быть указан
В технических характеристиках этот нюанс должен быть указан.
Также помимо «поголовного» пересчета потенциальных потребителей, необходимо учитывать и частоту, и объемы использования воды. Например, если в вашей семье любят понежиться в теплой ванне, а не наскоро принять душ, рабочая емкость бака должна быть соответственной – не менее 120 л.
БКН выгодно использовать в комплекте с твердотопливным или одноконтурным газовым котлом, но если расход воды меньше 1 л/мин, дешевле обойдется двухконтурный котел, который и места займет гораздо меньше, чем система с косвенным нагревом
Другие важные параметры:
Мощность – чем больше водопотребление, тем выше должен быть ресурс прибора
Но при этом важно, чтобы мощность «косвенника» не превышала возможности отопительной системы (или другого внешнего источника энергии). К примеру, если объем накопительного бака варьирует в пределах 120-150 литров, мощность котла должна быть не менее 23 кВт, а для 160-200 литров уже понадобится 31-39 кВт
Время нагрева – параметр, зависящий от объема бака и количества витков на змеевике (большие или комбинированные емкости могут быть снабжены несколькими спиралями).
Материал бака – для долговременного использования лучше всего подойдут бойлеры из нержавейки или медицинской стали.
Теплоизоляция – в дешевых моделях применяется поролон, который быстро изнашивается и пропускает тепло, поэтому лучше приобрести более дорогой прибор, где использовался полиуретан.
Управление – устройство сможет работать в автоматическом режиме, по необходимости отключая и запуская ток воды, контролировать нагрев с помощью температурного датчика.
При выборе формы и размере бака также необходимо учесть, что хотя теоретически бойлер можно установить в любой комнате, где есть доступ к теплотрассе, его оптимальное месторасположение – рядом с котлом. Так передача тепла наиболее эффективна.
Бойлер косвенного нагрева можно сделать собственноручно. Инструкция по изготовлению агрегата описана в .




































