Составление чертежа
Для того, чтобы не пришлось переделывать частично собранный садовый аппарат, необходимо грамотно составить чертеж, учтя в нем размеры и форму всех доступных деталей.

В этом помогут многочисленные форумы, на которых пользователи обсуждают наиболее удачные конфигурации и технические решения.
Кроме того, там также делятся опытом самостоятельного изготовления измельчителей садовых отходов и мусора, выкладывая не только чертежи, но и фото с видео своих устройств, а также оставляют отзывы об их работе.
При составлении схемы вы сможете определить расположение крепежных отверстий и сварных швов. Это позволит сначала сделать отдельные детали с заранее просверленными отверстиями, а затем без подгонки прикрепить к ним соответствующие агрегаты.
Готовые чертежи можно найти в интернете, после чего на их базе самому сделать новый чертеж с размерами, в котором будут учтены особенности доступных деталей и механизмов.
Основное преимущество этого способа в том, что он избавляет от необходимости самостоятельно определять и просчитывать общую конфигурацию готового устройства и расположение основных элементов.
Вот чертежи некоторых устройств, которые можно использовать в качестве базовых:
- Чертеж 1 – Это стандартная конструкция стационарного роторного щепореза, который хорошо работает в качестве садового измельчителя.
- Чертеж 2 – Это конструкция одного из валов двухвалкового шредера. С некоторыми изменениями его можно использовать и в шредерах с одним валом.
- Чертеж 3 – Устройство двухвалкового шредера.
- Чертеж 4 – Чертеж измельчителя травы с электромотором, однако вместо электродвигателя можно установить болгарку или дрель.
Эксплуатация самодельной техники
Из всего вышеописанного можно прийти к выводу, что сделать садовый измельчитель своими руками легко и просто. С этим может справиться практически любой пользователь
Однако важно не только знать, как собрать такую технику, но и как ее правильно эксплуатировать. Рассмотрим тонкости применения самодельного устройства. К измельчению веток стоит приступать только в том случае, если вы надели защитные очки или маску
Потребуется головной убор и высокая пара обуви. Желательно ветки отправлять в машину голыми руками либо в перчатках, но очень узких и плотно сидящих на кистях
К измельчению веток стоит приступать только в том случае, если вы надели защитные очки или маску. Потребуется головной убор и высокая пара обуви. Желательно ветки отправлять в машину голыми руками либо в перчатках, но очень узких и плотно сидящих на кистях.
Не стоит опускать руки ниже проема бункера для загрузки отходов. Если это понадобится, протолкнуть сор можно будет и дальнейшей партией прутков. Допустимо использовать для этого особую палку, имеющую разветвления на конце.
Габариты ветки, которую вы отправляете на переработку, не должны быть более половины межосевого расстояния между валами
Отбирая древесные частички, которые вы планируете утилизировать, очень важно брать в учет применяемые в технике ножи.
Специалисты рекомендуют для такого оборудования устанавливать отдельный дифференциальный автомат. Эта деталь будет обеспечивать защиту устройства от возможного поражения электричеством, если будут случаться непредвиденные обстоятельства.
И во время сборки, и во время эксплуатации самодельного механизма очень важно придерживаться правил техники безопасности. Позаботьтесь не только о защите рук, глаз и ног, но и о надежном креплении всех деталей измельчителя.
Работая с самодельным шредером, необходимо следить за тем, чтобы в приемный его бункер не попадали включения вроде камней или стекла, металла или пластика
Во время хранения в контейнере этих элементов также быть не должно. Они могут серьезно навредить конструкции устройства.
Позаботьтесь не только о защите рук, глаз и ног, но и о надежном креплении всех деталей измельчителя.
Работая с самодельным шредером, необходимо следить за тем, чтобы в приемный его бункер не попадали включения вроде камней или стекла, металла или пластика. Во время хранения в контейнере этих элементов также быть не должно. Они могут серьезно навредить конструкции устройства.
Эффективнее всего двухвальные установки измельчают сырые ветви. Если же надо переработать элементы плотных корневищ, то их понадобится хорошенько почистить от загрязнений.
Если рабочий барабан заклинило из-за застрявших в ней деревянных включений, то устройство понадобится сразу же отключить от сети. Застрявшие отходы в дальнейшем допустимо убирать исключительно при обесточенном аппарате
В противном случае вы подвергните себя серьезной опасности.
В процессе эксплуатации измельчителя (любого – и фирменного, и самодельного) очень важно следить за тем, чтобы питающий кабель устройства не находился в зоне выброса раздробленных отходов.
Если вы хотите, чтоб ваш самодельный шредер прослужил как можно дольше, то его понадобится тщательно очищать после каждой произведенной работы по дроблению отходов на участке. После этого устройство не стоит бросать на открытом воздухе. Выделите под него сарай либо оборудуйте навес.
Выделите под него сарай либо оборудуйте навес.
Следите за тем, чтобы ножи устройства всегда были хорошо заточены. Благодаря такому уходу, пользоваться устройством будет намного проще и приятнее, да и на основные его узлы не будет подаваться большая нагрузка.
Только при соблюдении всех перечисленных особенностей эксплуатации можно говорить о долговечности и износостойкости измельчителя, который вы сделали своими руками. Конечно, важную роль играет и качество всех составляющих компонентов, которые вы применяете по ходу изготовления. Относитесь к этому оборудованию бережно и аккуратно. Не забывайте постоянно его очищать, чтобы не скапливались измельченные отходы (в запущенных случаях извлекать их бывает довольно трудно). Кроме того, следует помнить и о собственной защите во время работы с этой техникой.
Как изготовить самодельный измельчитель своими руками, вы узнаете из видео ниже.
Как изготовить измельчитель травы из газонокосилки своими руками
Чтобы стандартную косилку применять как измельчитель травы, следует лишь изменить положение с горизонтального на вертикальное. Для этого выполняют следующие действия:
- На подготовленную поверхность (стол, лавка) располагают газонокосилку в вертикальном положении.
- Чтобы зафиксировать прибор, из деревянного бруса делают ножки. Для этого отмеряют расстояние от места крепления к корпусу до земли. Выпиливают два отрезка полученной длины. При помощи саморезов крепят к прибору. Теперь измельчитель может стоять самостоятельно без подпорки из лавки или стола.
- Подбираю пластиковую трубу под диаметр отверстия с ножами газонокосилки. Вставляют отрезок длиной 40 см в прибор.
Ручка от газонокосилки превращается в одну из ножек и создает дополнительный упор Для удобства под измельчитель укладывают лист железа, на него помещают траву для обработки. Включают прибор, через трубу подают небольшими партиями ботву. Мульча собирается в травоприемнике газонокосилки. По мере заполнения его освобождают.
Из чего еще можно изготовить измельчитель
Различных вариантов создания садовых измельчителей своими руками много: от самых простых, позволяющих только перемалывать траву, до более конструктивно сложных, мощных агрегатов, предназначенных для древесины до 10 см толщиной. Соответственно, для практической реализации задуманного потребуются разные детали, различные затраты времени и средств.
Чтобы собрать оборудование для переработки растительных отходов, кроме рассмотренных вариантов старых или ненужных инструментов либо техники, можно воспользоваться следующими устройствами:
- дрелью либо перфоратором;
- старым рабочим пылесосом;
- ненужной электропилой;
- двигателем от насоса;
- бензиновым или электрическим мотоблоком;
- любым электромотором подходящей мощности.
Дрель с перфоратором, если с их помощью мельчить траву, вообще переделывать не надо. Достаточно сделать только насадку с лезвиями. Созданное устройство будет работать как блендер, измельчая мягкие стебли растений в емкости небольшими порциями.
Из строгального станка
Измельчитель этого типа является более мощным и позволяет измельчать сучья и ветки диаметром до 7 см. Он изготавливается на базе станка, а это значит, что станину делать не нужно. Необходимо изготовить только короб подачи для веток.
Для работы следует запастись следующими инструментами и материалами:
- строгальный станок;
- сварочный аппарат с электродами;
- болгарка;
- листовой металл толщиной 3 мм;
- крепёж (болты, гайки, шайбы).
Работа начинается с нарезания листа металла по необходимым для изготовления короба размерам. Затем листы свариваются.
Порядок работы:
- Определяется тип вала. При желании можно на одной конструкции разместить 2 режущие плоскости (с пакетом дисковых и пластинчатых ножей) или какую-то одну режущую поверхность.
- Изготавливается вал и устанавливается на станину.
- Закрепляется короб для подачи на станину.
Вариантов садовых измельчителей очень много: от самых простых до весьма сложных агрегатов. Последние могут перемалывать ветви диаметром 10 см. При их эксплуатации необходимо устанавливать отдельный автомат защиты и соблюдать правила техники безопасности.
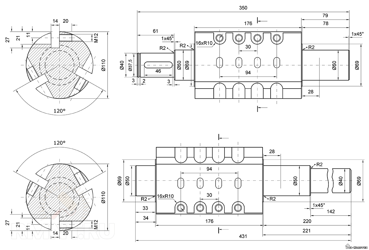
Чертежи различных конструкций садовых измельчителей
Рассмотрим несколько конструкций измельчителей, которые возможно собрать самостоятельно.
Чертёж молоткового измельчителя
Молотковый измельчитель может дробить ветки, солому, стебли кукурузы, зерно.
1 — загрузочный бункер (лист δ1 мм); 2 — окантовка горловины загрузочного бункера (уголок 25х25); 3 — заслонка/задвижка (лист δ1 мм); 4 — болт М6 для стяжки (8 шт.); 5 — обрамление загрузочного отверстия в корпусе (уголок равнополочный 25 мм); 6 — шпилька М8 (8 шт.); 7 — наружный барабан корпуса (труба Ø 270х6); 8 — статор с бороздками (труба Ø 258х6); 9 и 20 — молоточки и дистанционные шайбы (лист δ3 мм, закалённый до твёрдости HRC 45–47, 72 шт. и 70 шт. соответственно); 10 — шпингалет Ø 3 (4 шт.); 11 — гайка М20 с пружинной шайбой; 12 — ось молоточков (круг Ø 22, 4 шт.); 13, 14 — обвязка патрубков (уголок равнополочный 25 мм); 15, 19 — прокладки (резина, лист δ3 мм); 16 — гайка М8 крепления фланца (8 шт); 17 — молотковый ротор; 18 — фланец (лист δ5 мм, 2 шт.); 21 — фиксатор; 22 — приводной вал
Режущий инструмент — пакет дисковых пил
Пакет из 15–30 дисковых пил, закреплённых на валу — один из вариантов режущей системы измельчителя. Некоторые мастера указывают на то, что зубья пилы быстро забиваются растительной массой. Другие утверждают, что добились хорошей работы инструмента эмпирически — выставляя по-разному зубья относительно соседних пил. Так как твёрдосплавные зубья толще самого диска, между пилами нужно установить тонкие разделители из металла (например, шайбы) или пластика, а весь пакет зажимается гайками.
Пакет из 15 пил на валу
В качестве привода можно использовать мотоблок небольшой мощности, шкивы и подшипники — детали от автомобиля ВАЗ бывшие в употреблении. Раструб загрузочного бункера — усечённая пирамида, выходное отверстие небольшое, чтобы рука человека не проходила. Раму под измельчитель лучше делать повыше, чтобы реже убирать измельчённое сырьё.
Набор пил на шпильке М20
Вид сбоку
Двухвалковый измельчитель
Этот измельчитель рубит ветки на мерные отрезки от 2 до 8 см длиной, удобные для топки бани или дровяного котла отопления. Его конструкция представляет собой два вала с ножами — по 3–4 штуки на один вал, жёстко закреплённых болтами. Ножи можно выточить из рессоры КамАЗа или МАЗа. Если найдете бульдозерный нож, тоже подойдёт. Валы закрепляются на массивных листах параллельно, на расстоянии достаточном, чтобы ножи отрезали ветку, но не цеплялись друг за друга. Свободное вращение валов обеспечивается подшипниками, а их синхронизация достигается за счёт шестерёнчатого сцепления, двигающегося при помощи ремня (цепи) от двигателя. Для привода этого измельчителя целесообразно использовать двигатель большой мощности, но пониженных оборотов.


Если вы хотите создать мобильный измельчитель, на раме нужно предусмотреть крепления для колёс.
Элемент рамы
Ось и вал
Сборка валов
Расположение валов на раме
Валы из квадратной заготовки под 4 ножа
На видео показан измельчитель с шестерёнками: ведомые шестерни — от хвостовика МТЗ, подогнанные под нужный размер, ведущая (шестерня для передачи валам крутящего момента) была найдена методом подбора.
Пошаговая сборка измельчителя
Для большого сада, подсобного хозяйства нужен мощный агрегат, быстро перерабатывающий толстые ветки на дрова. С утилизацией травы, соломы, листьев справится просто устроенный измельчитель, изготовленный из валяющейся без дела стиральной машины активаторного типа.
Подробная инструкция
Понадобятся инструменты: рулетка, отвертка, гаечные ключи, плоскогубцы, молоток, дрель, угловая шлифовальная машинка. Этапы работы:
- Корпус обрезают.
- В нижней боковой части вырезают прямоугольное отверстие для выброса отходов – 7 × 20 см.
- Чтобы мульча не разлеталась, из жести сооружают кожух, крепят раструбом вниз.
- Изготавливают ножи.
- На вал мотора насаживают втулку, крепят к ней ножи, их располагают на одном уровне с отверстием или чуть выше.
- Корпус крепят к устойчивому каркасу.
Для запуска траворезки устанавливают пусковую кнопку. Самодельное устройство работает от бытовой сети.
Самодельный шредер облегчает ручной труд, решает проблему утилизации травы, ботвы, веток, опавших листьев. Эксплуатация техники без соблюдений требований техники безопасности создает угрозу здоровью. Необходимо перед каждым применением проверять надежность закрепления узлов, работать в очках, перчатках, защитной одежде.
Садовый бензиновый измельчитель для веток — что это, как работает
Makita UD2500 — параметры и описание измельчителя веток для сада
Всё о садовых измельчителях — разновидности шредеров для веток и травы
Всё о садовом измельчителе Зубр — принцип работы, как пользоваться
Изготовление моющего пылесоса своими руками
Изготовление циклонного пылесоса своими руками
Как сделать измельчитель веток своими руками: поэтапная инструкция
Порядок действия простой, сделать необходимо следующее:
- подобрать чертеж;
- приобрести или найти в саду, гараже, доме необходимые инструменты и материалы;
- изготовить ножи;
- соорудить кожух и куб для подачи веток или травы;
- установить все устройства на станину.
Ищем чертеж или составляем его самостоятельно
Рекомендуется использовать готовые чертежи, но, при этом, корректировать их с учетом размеров имеющихся деталей. В первую очередь это касается двигателя, поскольку от его габаритов будут зависеть размеры станины и схема размещения всех агрегатов.
Простейшая схема веткодробилки
Примером чертежа того, как сделать садовый измельчитель своими руками на базе электродвигателя может быть несколько вариантов схем:
- В интернете полно чертежей роторного устройства для утилизации веток. В качестве режущего механизма при этом, как правило, используются фрезы. Следует иметь в виду, что такой агрегат потребует достаточно мощного мотора, а фрезы будут расходным материалом, что удорожает его эксплуатацию. С другой стороны, такой измельчитель позволит утилизировать крупные ветки.
- Самым технически сложным с точки зрения изготовления является двухвалковый шредер. Однако он будет и самым мощным. С его помощью можно утилизировать ветки до 8 см. толщиной. Изготовить такое устройство самостоятельно сложно, поэтому рекомендуется привлекать специалистов.
Подробный чертеж для сооружения устройства
Готовим инструменты и материалы
Изготовление самодельного измельчителя требует времени, материалов и инструментов. Некоторые комплектующие могут “ударить по карману” в случае, если их нет в наличии, и они будут покупными. Экономический смысл в самостоятельной сборке устройства будет при условии, если оно будет дешевле в несколько раз по сравнению с ценой в магазине.
Некоторые комплектующие для измельчителя
В первую очередь необходимо озаботиться двигателем. В зависимости от толщины перерабатываемых веток подбирается мощность мотора. Двигатель мощностью до 1,5 кВт позволяют утилизировать траву и ветки толщиной до 2 см. Но самые популярные устройства комплектуются мотором мощность в 3-4 кВт. Они перерабатывают ветки диаметром до 5 см.
Для передачи усилия с двигателя на вал с режущим механизмом потребуются, как минимум, 2 шкива и подшипника. Также может возникнуть потребность и в шестеренках. Оптимальная скорость вращения режущего механизма – 1500 оборотов в минуту. Она обеспечит необходимую производительность и длительный период эксплуатации двигателя.
Также потребуются ножи, о чем уже говорилось выше ножи. Можно использовать дисковые пилы или фрезы. А еще допустимо изготовить режущие элементы самостоятельно, например, из фуганка. Во втором случае производительность и качество работы агрегата оставит желать лучшего.
Для станины необходимы трубы, а для сварки кожуха и бункера для подачи веток — листы металла.
Изготовление станины
Двигатель, бункер и режущий механизм крепятся на станину. Это — сварная конструкция из труб или металлических уголков. Ее размеры определяются на основании чертежа. Для изготовления потребуется болгарка и сварочный аппарат. При работе со сваркой необходимо соблюдать правила техники безопасности и надевать защитные очки.
Станина — основа будущего агрегата
Изготовление режущего механизма
Режущий механизм представляет собой вал, на который монтируются ножи. В их качестве можно использовать диск от болгарки, фрезы, дисковые пилы. Можно изготовить ножи из автомобильной рессоры. Для этого придется их заточить.
Несколько вариантов режущих элементов
Сборка агрегата
Порядок действий:
- Сбор режущего механизма. Ножи помещаются на вал, между ними прокладываются шайбы для того, чтобы исключить трение режущих элементов друг о друга. С обоих сторон вала ножи закрепляются гайками.
- Монтаж режущего механизма на станину. Для этого в станине проделываются отверстия, а сам механизм крепится на нее с помощью гаек и болтов. Предварительно следует напрессовать подшипники на вал.
- Установка электродвигателя и ременной или цепной передачи.
- Монтаж защитного кожуха, бункера и рукава для выброса щепы.
- Установка кнопки пуск/стоп.
Измельчитель из болгарки
Простейшую самоделку легко изготовить из болгарки. Лучше взять инструмент мощностью 3000 Вт.
Примеры конструкции
Станина формой напоминает кухонный табурет, ее сваривают из металлического уголка 35 × 35 мм. Снизу валом кверху к ней крепят шлифовальную машинку. Рабочую емкость делают из ведра, бака, газового баллона.
Вырезают два отверстия:
- первое – круглое, посередине днища для вала болгарки;
- второе – прямоугольное (5 × 10 см), сбоку для удаления отходов.
Чтобы щепа не разлеталась, к боковой щели наклонно крепят трубу из жести. На вал шлифовальной машинки крепят двух-, трехлопастной нож от газонокосилки или диск от кустореза.
Чертеж для сборки
Если есть листовая сталь, арматура, уголок, сварка, то пригодится чертеж компактного устройства для измельчения растений. Последовательность сборки:
- из листа стали вырезают 2 пластины, одну для крепления ножей, инструмента, вторую для крышки бункера;
- в центре первой пластины высверливают отверстие, приваривают шайбу, края обваривают уголком, по бокам приваривают 2 шпильки;
- с наружной стороны приваривают крепления для шлифовальной машинки;
- в верхней части второй пластины вырезают отверстие, приваривают наклонно или горизонтально кусок трубы;
- готовую крышку бункера крепят гайками на шпильки;
- делают ножки из арматуры;
- крепят болгарку, на вал надевают нож.
Измельчитель травы и веток для дачи своими руками, изготовленный по этому чертежу, пригодится в домашнем хозяйстве.
Самодельный измельчитель травы из болгарки
Измельчитель травы из болгарки – это достаточно простой и быстро реализуемый вариант. Чтобы воплотить проект, потребуется запастись такими деталями и материалами:
- стальными уголками;
- металлической емкостью (обычной вываркой);
- самодельными либо готовыми ножами (например, от газонокосилки);
- крепежными элементами;
- листовой жестью.
Из инструментов потребуются:
- электродрель;
- сварочный аппарат и электроды к нему;
- угловая шлифовальная машина, чтобы резать уголки;
- гаечные ключи.
Чтобы собрать шредер своими руками на базе угловой шлифовальной машины, способный перемалывать не только траву, но и ветки до 4 см толщиной, рекомендуется воспользоваться электроинструментом с мощностью свыше 3 кВт.

Создание измельчающего агрегата производят в такой последовательности:
- нарезают болгаркой уголки на куски;
- из них сваривают раму, напоминающую стул;
- приваривают полку из куска листового металла;
- к сделанному каркасу (на подставку) прикрепляют болгарку хомутами, располагая ее валом к верху;
- прорезают сбоку выварки отверстие примерно 10 на 10 см;
- к прорези присоединяют рукав, например, из жести, по которому из емкости будет выдаваться перемолотая растительная масса;
- делают на дне выварки отверстие в центре;
- устанавливают емкость на вал болгарки и прикрепляют ее болтами или саморезами к металлической раме;
- ставят нож или диск на углошлифовальную машинку.
В итоге получится конструкция, представленная на фото далее.

Размеры уголков подбирают индивидуально, чтобы было удобно обращаться с механизмом.
Под трубу для выдачи измельченной травы с ветками подставляют ведро или другую емкость во время работы с агрегатом, чтобы переработанные растения не разлетались.
Созданное устройство можно усовершенствовать. Для этого потребуется насадка на вал болгарки длиной около 15 см с двумя ножами: на верхнем конце и посредине. Лезвия разделяют сеткой, закрепленной к стенке кожуха.
Как изготовить измельчитель травы из газонокосилки своими руками
Чтобы стандартную косилку применять как измельчитель травы, следует лишь изменить положение с горизонтального на вертикальное. Для этого выполняют следующие действия:
- На подготовленную поверхность (стол, лавка) располагают газонокосилку в вертикальном положении.
- Чтобы зафиксировать прибор, из деревянного бруса делают ножки. Для этого отмеряют расстояние от места крепления к корпусу до земли. Выпиливают два отрезка полученной длины. При помощи саморезов крепят к прибору. Теперь измельчитель может стоять самостоятельно без подпорки из лавки или стола.
- Подбираю пластиковую трубу под диаметр отверстия с ножами газонокосилки. Вставляют отрезок длиной 40 см в прибор.

Ручка от газонокосилки превращается в одну из ножек и создает дополнительный упор Для удобства под измельчитель укладывают лист железа, на него помещают траву для обработки. Включают прибор, через трубу подают небольшими партиями ботву. Мульча собирается в травоприемнике газонокосилки. По мере заполнения его освобождают.
Садовый измельчитель своими руками: основные элементы конструкции
Садовый измельчитель, он же шредер или чиппер, существенно облегчает процесс ухода за дачным участком. С его помощью можно легко очистить территорию от веток и травы. Переработанное сырье можно заложить в компостную яму для получения натурального удобрения. Полученную мелкую древесину целесообразно использовать в качестве дров для отопления домика. Измельченная щепа от фруктовых деревьев идеально подходит для копчения мяса.
Шредер для травы и веток поможет справиться с растительным мусором на участке
Конструкция садового шредера достаточно проста. Она состоит из таких основных деталей:
- бункера;
- привода;
- измельчительного механизма;
- металлической рамы с защитным кожухом.
Некоторые модели могут быть оборудованы дополнительными элементами:
- бункером для измельченного органического мусора;
- проталкивателем;
- ситом для регулирования фракции щепы.
Принцип работы любого измельчителя такой же, как у мясорубки и заключается в следующем. При включении шредера в работу начинает запускаться двигатель, который приводит в действие рабочий вал, оснащенный режущим механизмом. В это время садовый мусор попадает в приемную воронку и с помощью режущего устройства измельчается до состояния мелкой щепы.
Щепа из измельченных веток может использоваться в качестве компоста для растений
Измельчительный механизм
Перед тем как приступить к созданию самодельного шредера, необходимо четко определиться с видом отходов, которые он будет перерабатывать. Это напрямую зависит от его конструктивных особенностей и рабочих характеристик. Садовые измельчители классифицируются по трем основным параметрам: типу и мощности двигателя и виду измельчительного механизма.
Существуют следующие варианты измельчительного механизма:
- фрезерный, для переработки твердой древесины;
- ножевой универсальный;
- валковый, для перемалывания тонких веток деревьев и кустарников;
- с вращающимися турбинами для измельчения толстых веток;
- молотковый, для утилизации тонких веток;
- триммерный, основанный на использовании лески, для мягкого мусора.
При самостоятельной сборке измельчителя отдается предпочтение ножевой системе или наборной из дисковых пил. Можно выполнить двухвалковую конструкцию, при которой два-три ножа устанавливаются на массивном диске и вращаются друг другу навстречу.
Различные типы измельчительного механизма: 1 — молотковый, 2 — фрезерный, 3 — ножевой фрезерно-турбинный, 4 — ножевой дисковый
Тип и мощность двигателя
Шредер может быть оснащен электрическим или бензиновым двигателем. У каждого из них есть свои важные достоинства и некоторые недостатки. Измельчитель садовый, работающий на бензине, более мобильный. Его работа не зависит от источника электропитания. Он способен перерабатывать более толстые крупные ветки. Однако такие чипперы более громоздкие и тяжелые. К тому же они выделяют в атмосферу вредные вещества в процессе своей деятельности.
Измельчители с электродвигателем более легкие и удобные в эксплуатации. Однако они уступают по показателю мощности и зависят от энергоресурса.
Возможность перерабатывать определенный вид садового мусора зависит от мощности двигателя. Для маленьких объемов отходов, где диаметр веток не превышает 20 мм, достаточно двигателя мощностью 1,5 кВт. Если необходимо перемалывать ветки толщиной 20-40 мм, то тогда целесообразно использовать двигатель мощностью не менее 3,5-4 кВт. Справиться с крупной древесиной 100-150 мм в диаметре смогут измельчители, оснащенные двигателем мощностью 6 кВт.
Шредер с высокой производительностью способен перемалывать ветки диаметром до 100 мм
Следующей особенностью конструкции шредеров является тип привода. Эту функцию может выполнять цепь, ремень или сам вал двигателя, на котором осуществляется фиксация ножевого механизма.





































