Бытовые вентиляторы
Бытовые вентиляторы разнятся конструкцией, применяются схожие технические решения. Приведем краткий перечень тех мест, где полезна вращающаяся крыльчатка:
- компрессоры холодильников непременно имеют принудительный обдув;
- ремонт вентилятора блока питания является заурядной проблемой;
- каждый асинхронный двигатель содержит пару крыльчаток на валу для обдува катушек статора;
- ни один пылесос не обходится без двигателя с лопастями;
- кулер процессора представляет собою уменьшенную копию бытового вентилятора;
- без вентилятора отопителя ни один салон авто не прогреется как следует, а ремонт гидромуфты вентилятора набил оскомину некоторым водителям;
- вытяжки кухонные, туалетные и прочие имеют в своем составе мотор и крыльчатку.
Неполный перечень бытовой техники, применяющей вентиляторы. Системный блок компьютера излишне шумит — потребуется смазка кулеров. Аккуратно отдирается пинцетом наклейка на корпусе вентилятора, торец оси выходит прямо сюда. Капните пару капель на точку скольжения, шумность должна уменьшиться. Где встречаются вентиляторы, применимы перечисленные выше приемы ремонта. Различие в размерах, назначении и прочих деталях.
Изучив принципы формирования индуктивностей, принимайтесь за замену катушек статора двигателей. Длительный, нудный процесс, заниматься не рекомендуется, кто решится — сфотографируйте ремонтируемую часть, выкусите проводку, намотайте правильно витки, нужным образом проведите обратное подключение. Звучит непросто, выполнить сложнее. Часто катушки лишены оболочки. Моток проводов, непонятным образом соединен с соседними катушками. Бытовой вентилятор смотрится страшно в разобранном виде. Под проволоку статор имеет кюветы, куда сложно уложить витки. Ремонтом двигателей бытовых вентиляторов никто не занимается.
Дамы вообще считают: разобранный вентилятор негодный, выкидывают разложенные тут и там детали. Не оставляйте раскуроченный прибор без присмотра.
Достался мне почти даром некондиционный вентилятор West SF-1602T (с мех. таймером) китайского производства, продаваемый нашей фирмой Ост-Вест. Примерная стоимость аналогичного у нас около 20$. Обмотки двигателя не звонились. По наружным проводам только серый-синий 0,1к. Внешний конденсатор одним концом к черному общему и вторым к просто к одному выводу из обмоток (после вскрытия, см.далее). Больше ничего полезного. Снял задний кожух двигателя (на нем еще прикручен поворотный механизм и внешний конденсатор) и среднюю часть (пластины с катушками). Передний кожух с ротором остались на передней панели вентилятора за ненадобностью в манипуляциях. При деталном осмотре контактов проводников обнаружились несколько обрывов (как бы сгнили) выводов катушек под кембриками. Восстановил контакты. Добавилось определение: черный (общий)-красный 1,0к. Естесственно ничего не работает. В итоге был предпринят почти вандальный, но единственный, поэтому правилный вариант (уже сомнительно) — распаять все выводы катушек. Про перепайку остальных контактов на всякий случай на подумал, ибо было поздно уже. Зарисовал выводы с точностью до 99%. Три проводника выходили почти из одной точки — их я не подписывал (ну, неудобно было), просто зарисовал местоположение. После освобождения выводов обмоток «из плена» все зазвонилось. Четыре обмотки — 1.0к, 0.2к, 0.1к и 0.7к. Используя свои зарисовки и логические вычисления (по поводу трех проводников из одной точки) восстановил схему подключения обмоток и конденсатора (см. рис.)
Принцип работы
Рассмотрим подробно каждый вид устройства по типу их работы.
Осевой

Внешне устройство представляет собой кожух с цилиндрическим основанием, в котором размещается колесо с лопастями. На кожухе предусмотрены специальные отверстия для крепления аппарата.
Колесо с лопастями устанавливается непосредственно на ось. Поток воздуха идет параллельно оси.
На входе в механизме предусмотрен коллектор, предназначенный для улучшения аэродинамики в работе устройства. При отсутствии встречного потока потребляемая мощность данного типа механизма невелика.
Если воздушный поток присутствует, то и мощность требуется больше.
Коэффициент полезного действия осевого агрегата намного выше других типов механизмов. Напор и количество подаваемого воздуха регулируется за счет поворотных лопастей. Аксиальные приборы используют обычно для подачи больших объемов воздуха при низких сопротивлениях.
Диагональный

Воздух в таких механизмах забирается по тому же принципу, что и в осевых моделях, но выпуск уже идет в диагональном направлении. Кожух имеет коническую форму, поэтому скорость потока увеличивается при создании давления на пропеллер вентилятора.
Диагональные механизмы отличаются высокой скоростью обдува и пониженным уровнем шума (по сравнению с осевыми устройствами).
Радиальный

Центробежный агрегат состоит из рабочего колеса, находящегося в спиральном кожухе. При вращении подаваемый воздух перемещается в радиальном направлении и начинает сжиматься в области колеса.
Затем поток поступает в спиральный кожух под действием центробежной силы, после чего идет в отверстие нагрева.
Конструктивно радиальное устройство представляет собой полый цилиндр, на поверхности которого располагаются лопатки параллельно оси вращения. Между собой они скреплены специальными дисками.
Данные элементы конструкции выполнены с загнутыми концами, их количество зависит от прямого назначения агрегата. Вращение осуществляется в правую либо левую сторону.
В климатических системах применяют несколько видов вентиляторов радиального типа:
- Всасывание воздуха у которых происходит в одну или в обе стороны.
- В конструкции механизма электродвигатель находится на одном валу или присутствует клиноременная передача.
- Лопатки в приборе имеют загнутую вперед либо назад форму.
Лопатки, загнутые назад, увеличивают производительность и позволяют экономить электроэнергию.
Диаметральные

Данная категория состоит из корпуса с патрубком и диффузором, рабочее колесо снабжено загнутыми вперед лопатками. Колесо конструктивно выглядит как барабан. Принцип работы такого механизма основан на двукратном прохождении воздуха поперек рабочего колеса.
Диаметральные вентиляторы отличаются высокими аэродинамические показателями. Они способны подавать равномерный поток воздуха в ограниченном диапазоне.
Конструктивно аппарат создан таким образом, что его легко поворачивать в стороны, придавая воздушным массам нужное направление. Данный тип агрегатов используется во внутренних блоках сплит-систем, воздушных завесах и других системах кондиционирования и вентиляции.
Безлопастные

Основным элементом устройства является турбина, воздушный поток формируется за счет ее работы. Данный элемент прячется в основании корпуса. Поток воздуха перемещается через прорези в раме благодаря аэродинамическому эффекту.
Комплектация профиля рамы способствует разрежению воздуха, он дополнительно всасывается с задней стороны корпуса.
Общий объем потока увеличивается до 16 раз (по сравнению с показателями работы одной турбины). Безлопастные вентиляторы довольно шумные, зато здесь нет внешних двигающихся элементов, что делает безроторное устройство более безопасным.
Типы и характеристики вентиляторов
2.1. Радиальные вентиляторы
В радиальном вентиляторе воздух поступает через входное отверстие, которое всегда имеет круглую форму, и выходит через выходное отверстие, имеющее квадратную или прямоугольную форму.
Радиальные вентиляторы изготавливаются в соответствии с ГОСТ 5976-90 и распространяются на вентиляторы общего назначения для обычных сред, одноступенчатые, с горизонтально расположенной осью вращения, со спиральными корпусами, с рабочими колесами диаметром от 200 до 3150 мм, создающие полные напоры до 12 000 Па при плотности перемещаемой газообразной среды 1,2 кг/м3.
Стандарт не распространяется на вентиляторы специального исполнения (пылевые, взрывозащищенные, коррозионно-стойкие и др.) и вентиляторы, встроенные в агрегаты и машины, в том числе кондиционеры.
Радиальные вентиляторы классифицируются следующим образом.
По создаваемому давлению:
- низкого давления, до 1000 Па;
- среднего давления, от 1000 до 3000 Па;
- высокого давления, свыше 3000 Па.
Следует отметить, что вентиляторы низкого давления при увеличении числа оборотов могут развивать среднее давление, следовательно, классификация по этому признаку является условной.
В системах вентиляции чаще применяются вентиляторы низкого и среднего давлений. Вентиляторы высокого давления используются в технологических установках, а также в вентиляционных системах при значительной протяженности воздуховодов и большом гидравлическом сопротивлении сети.
По назначению:
а) общего назначения – для перемещения воздуха и других газовых смесей, агрессивность которых по отношению к углеродистым сталям обыкновенного качества не выше агрессивности воздуха, с температурой до 80 ОС, не содержащих липких веществ, волокнистых материалов, с содержанием пыли и других твердых примесей не более 100 мг/м3. Такие вентиляторы применяются в системах кондиционирования воздуха и вентиляции, воздушного отопления и для производственных целей;
б) для технологических нужд – для перемещения агрессивных сред используют коррозионно-стойкие вентиляторы, выполненные из титана, нержавеющей стали, алюминия, винипласта, полипропилена, углеродистой стали с антикоррозионным покрытием; для перемещения воздуха с температурой выше 80 ОС используют термостойкие вентиляторы; для перемещения взрывоопасных сред (по специальным условиям) – взрывозащищенные вентиляторы; для перемещения воздуха, засоренного механическими примесями, и пневматического транспортирования материалов с содержанием пыли более 100 мг/м3 используют пылевые вентиляторы с повышенными требованиями в отношении износоустойчивости;
в) дымососы – для перемещения дымовых газов (применяются в тяговых установках котельных).
По направлению вращения рабочего колеса:
- правого вращения – если колесо вращается по часовой стрелке (со стороны станины);
- левого вращения, если колесо вращается против часовой стрелки.
По классу в зависимости от величины окружной скорости колеса u:
- к первому классу относятся вентиляторы с загнутыми вперед лопатками при u < 30 м/с и вентиляторы с загнутыми назад лопатками при u < 50 м/с;
- ко второму классу относятся вентиляторы с загнутыми вперед лопатками при u > 30 м/с и вентиляторы с загнутыми назад лопатками при u > 50 м/с.
По расположению выходного отверстия: верхнее; правое; левое; нижнее. Возможны промежуточные положения выходного отверстия (под углом к горизонтали в 45).
По способу привода: на ременной передаче и на одном валу с двигателем.
На рис. 2 изображены спиральные корпусы и рабочие колеса радиальных вентиляторов.

Рис. 2. Спиральные корпусы и рабочие колеса радиальных вентиляторов: а – низкого давления с числом лопастей 12, 24, 36 или 48; б – среднего давления с числом лопастей 12 или 24; а в – пылевого с 6 лопастями; г – высокого давления

Рис. 3. Положение кожуха радиальных вентиляторов общего назначения: а – вентиляторов правого вращения; б – вентиляторов левого вращения

Рис. 4. Конструктивные схемы исполнения радиальных вентиляторов
На рис. 3 показаны различные положения спирального корпуса радиальных вентиляторов. Углы поворота корпуса отсчитывают по направлению вращения рабочего колеса в соответствии с рис. 3.
Вращение колеса будет правильным, если оно направлено по ходу разворота спирали кожуха.
Конструктивные схемы исполнения радиальных вентиляторов представлены на рис. 4. Допускается для вентиляторов исполнения 1 крепление электродвигателя к корпусу вентилятора.
Типы вентиляторов
Чтобы правильно выбрать вентилятор для комнаты, нужно разбираться в типах устройств. Итак, эта бытовая техника может быть такой:
- стол письменный;
- пол;
- канал;
- потолок;
- стена.
Кроме того, вентиляторы могут различаться по конструкции (для дома чаще всего выбирают осевые и тангенциальные модели, для изготовления – радиальные (центробежные) устройства, по способу крепления и уровням защиты. Однако по выбору устройств комнаты, эти технические характеристики практически не имеют значения, поэтому мы не будем на них останавливаться.
Если вы хотите выбрать вентилятор для гостиной дома или квартиры, вам следует приобрести напольный, настольный или потолочный вариант. Настольные и потолочные модели являются только осевыми, а напольные изделия могут быть тангенциальными. Последние выполнены в виде столбика и имеют множество полезных функций:
- увлажнитель;
- термодатчик;
- дистанционное управление;
- нагреть воздух в комнате.
Учтите, что если вы решили выбрать тангенциальное устройство пола, его цена будет выше, чем у других разновидностей. Помимо дополнительных функций и параметров, вентилятор на тумбе выглядит элегантно и является одним из самых безопасных вариантов для дома.
Осевые напольные вентиляторы уже много лет являются явным бестселлером среди других разновидностей и являются классическим примером устройства для охлаждения помещений. Большие лопасти, обеспечивающие сильный обдув, возможность изменения скорости, устойчивость и наличие поворотного механизма – все это обеспечивает стабильность выбора данного товара и положительные отзывы покупателей о нем
Если вы решили выбрать эту стандартную модель, имейте в виду, что лезвия должны быть полностью закрыты сеткой для безопасности (особенно если у вас есть дети или домашние животные)
Ищете мощный, но тихий вентилятор? Пригодятся потолочные модели! В то время как стандартные изделия рассчитаны на мощность около 50 Вт, потолочная версия рассчитана на 250 Вт. Лопасти прибора не вращаются быстро, однако благодаря высокой мощности вы всегда будете чувствовать себя приятно прохладным в жаркие дни. Это изделие особенно популярно для размещения на обеденном столе или кровати. Также часто покупают потолочную технику для террасы или летней кухни в загородном доме.
Что касается настольных моделей, здесь все предельно ясно. Основным преимуществом выбора настольного вентилятора является его небольшой размер, простота использования и доступная цена. Этот продукт удобно брать с собой в дорогу и отлично поможет в особенно жаркий день. Учтите, что у этих вентиляторов плохой воздушный поток, и они довольно часто ломаются.
Если для гостиной, кухни, ванной и туалета следует выбрать обычный бытовой прибор, необходимо приобрести специальный вытяжной вентилятор, устанавливаемый в вентиляционное отверстие в стене. Он не выполняет те же функции, что и стандартный прибор и приобретается для удаления влажного воздуха после купания, неприятных запахов после готовки и т.д. По возможности выбирайте приборы с контролем температуры и влажности, внимательно учтите все нюансы монтажа.
Преимущества и недостатки
Прибор обладает следующими преимуществами:
- Возможность мягкой регулировки температуры при сохранении необходимого уровня влажности.
- Небольшой вес и мобильность, позволяющие перемещать устройство в какое угодно место в доме. Все модели, как правило, снабжены колесиками, еще больше облегчающими этот процесс.
- Легкость в установке.
- Возможность использования не только в абсолютно закрытых помещениях, как в случае с кондиционерами.
- Низкий уровень энергопотребления и экологичность.
- Альтернативный вариант использования – в качестве ароматической лампы, можно добавить несколько капель любимого масла в емкость с водой, и помещение наполнится приятным ароматом.
- Невысокая стоимость.
При всех своих плюсах вентилятор с увлажнителем воздуха обладает очень существенным минусом.
Для того чтобы ощутимо понизить температуру, необходимо повысить влажность практически до максимально возможного предела. А это, естественно, ведет к появлению конденсата на поверхностях и, кроме того, не комфортно для организма человека.
Бытовой вентилятор[править | править код]
Вентилятор предназначен для создания потока воздуха в помещении, обеспечивающего комфортное пребывание в летний период.
Бытовые вентиляторы классифицируются по размеру, производительности, числу лопастей, исполнению и функциональности.По исполнению бывают: напольные, настольные и потолочные.Число лопастей может быть от трёх до шести.Вентиляторы могут иметь функции регулировки скорости вращения и «автоповорота».
«Автоповорот» осуществляет перемещение оси вращения ротора в горизонтальной плоскости и предназначен для расширения пространства обдува в горизонтальной плоскости.Лопасти вентилятора делают обычно из пластика, иногда из дерева или из металла. Пластиковый вентилятор легче, а значит и безопаснее, но непрочен.Для защиты от движущихся лопастей вентиляторы оснащаются решёткой. Также они могут оснащаться таймером, подсветкой и т. д.
Производители вентиляторов: VENTS Elenberg, Scarlett, Vitek, Systemair, Polaris, РОВЕН и др.
Общие сведения о вентиляторах
По конструкции и принципу действия вентиляторы делятся на два основных типа – радиальные (центробежные) и осевые. Существует также ряд модификаций радиальных вентиляторов – диагональные, диаметральные (тангенциальные), дисковые и другие. В системах вентиляции и теплоэнергетических установках чаще всего применяются радиальные, осевые и диаметральные вентиляторы.
Радиальный вентилятор конструктивно (рис. 1) представляет собой расположенное в спиральном корпусе 3 рабочее колесо 6, при вращении которого воздух, поступающий через входной патрубок 1, попадает в межлопаточные каналы колеса и под действием центробежной силы перемещается по этим каналам, собирается в спиральном корпусе и далее подается в выходной патрубок 2. При прохождении газа через рабочее колесо его давление и кинетическая энергия возрастают.

Рис. 1. Радиальный вентилятор: 1– входной патрубок; 2 – выходной патрубок; 3 – корпус; 4 – электродвигатель; 5 – станина; 6 – рабочее колесо
Существуют конструкции радиального вентилятора с левым и правым направлением вращения рабочего колеса. Привод рабочего колеса может осуществляться непосредственно от вала электродвигателя либо через клиноременную передачу.
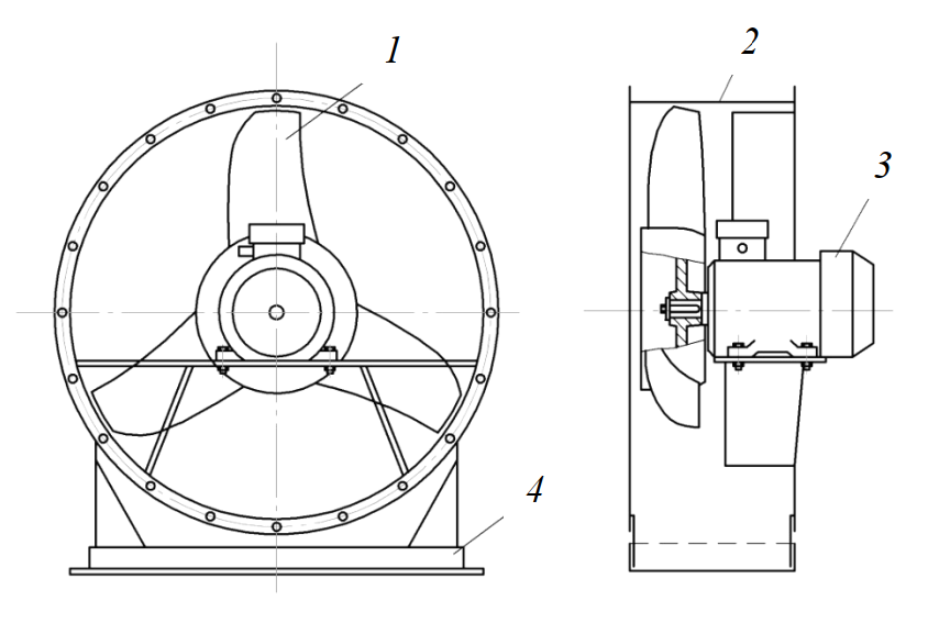
Осевой вентилятор (рис. 2) представляет собой расположенное в цилиндрическом корпусе 2 лопаточное рабочее колесо 1, при вращении которого поступающий через входной патрубок воздух под действием лопаток перемещается между ними в осевом направлении. Давление и кинетическая энергия потока при этом увеличиваются.

Рис. 2. Осевой вентилятор: 1 – рабочее колесо; 2 – корпус; 3 – электродвигатель; 4 – станина
В диаметральном вентиляторе (рис. 3) перемещение воздуха происходит в плоскости, перпендикулярной оси вращения рабочего колеса 2. Рабочее колесо барабанного типа с загнутыми вперед лопатками. Корпус вентилятора напоминает корпус радиального вентилятора.

Рис. 3. Диаметральный вентилятор: 1– входной патрубок; 2 – рабочее колесо; 3 – выходной диффузор
Особенности и назначение промышленных вентиляторов
Согласно строительно-эксплуатационным нормативам, каждое производственное предприятие или здание общественного назначения должно оборудоваться вентиляционными системами. Область применения промышленных вентиляторов довольно широка.
Под каждую конкретную задачу создается специальный тип вентиляционных устройств. Среди главных назначений – создание воздухообмена в производственных цехах и прочих помещениях промышленных и сельскохозяйственных объектов: пищевом производстве, металлургии и химической промышленности.
Промышленные вентиляторы не только охлаждают воздух в помещениях, но и решают дополнительные задачи при применении в различных отраслях хозяйства:
- Устраняют древесную пыль, опилки и стружки, образующиеся при работе деревообрабатывающих станков.
- На предприятиях металлообрабатывающей и машиностроительной промышленности удаляют металлическую пыль, сварочные шлаки и прочие механические загрязнители воздуха.
- Нагнетают воздух в металлургические печи и отопительные котлы для поддержания и активизации процесса горения.
- Вентилируют воздух на мукомольных производствах, в цехах цементных заводов и т.д.
- Снижают температуру воздуха путем осуществления принудительной циркуляции в горячих цехах – сталеплавильных, коксохимических, литейных.
- Обдувают промышленное оборудование и электромоторы в целях недопущения их перегрева и выхода из строя.
Вентиляция – необходимое условие для запуска предприятия в эксплуатацию. Например, без системы принудительной вытяжной вентиляции не могут действовать мукомольные или деревообрабатывающие цеха. Избыточное скопления в воздухе древесной или мучной пыли может вызвать воспламенение и взрыв со всеми вытекающими последствиями.
Использование центробежных конструкций
Конструкции такого образца бывают напольные и настольные. Их мобильность обеспечивает простоту в эксплуатации, а также легкость в установке. Применение таких механизмов возможно в любых местах, в которых имеется доступ к электропитанию.
Частные дома или квартиры обычно оснащают ванные комнаты, санузлы или кухни данной техникой. Это способствует поддержанию нормальной влажности воздуха, а также избавлению от неприятных запахов. Размещают такие конструкции в соединенных с шахтами для вентилирования отверстиях. Иногда центробежные вентиляторы и их применение зависит от того, насколько высокими влагозащитными свойствами они обладают.
На вредном производстве, когда есть необходимость быстрого удаления загрязненного воздуха, используются прямоточные центростремительные установки.
Любая промышленность не сможет обойтись без такого рода комплектующего. А выбирать их следует исходя из сферы дальнейших применений и назначений.
Такое оборудование очень важную нишу занимает в процессе промышленного производства. Это и очищение воздуха, и создание благоприятных условий труда для рабочих предприятия. Механизмы в промышленной зоне не требуют особого ухода, необходимо будет только периодически смазывать их и следить за износом деталей.
Обозначение вентиляторов в энергетике
Обозначение вентиляторов состоит из марки вентилятора (относительно сферы его применения или конструктивных особенностей), типоразмера и (в зависимости от производителя) частоты вращения в оборотах в минуту. Основные марки центробежных и осевых вентиляторов:
- ВМ — Вентилятор мельничный
- ВД — Вентилятор дутьевой
- ВДН — Вентилятор дутьевой с назад загнутыми лопатками
- ВГДН — Вентилятор горячего дутья с назад загнутыми лопатками
- ВГД — Вентилятор горячего дутья
- ВС — Вентилятор специальный
- ВЦ — Вентилятор центробежный
- ВР — Вентилятор радиальный
- ВКС — Вентилятор для кипящего слоя
- ВКР — Вентилятор крышный радиальный
- ВСК — Вентилятор специальный коррозионностойкий
- ВВД — Вентилятор высокого давления
- ВВДН — Вентилятор высокого давления с назад загнутыми лопатками
- ВВР — Высоконапорный вентилятор с радиальными лопатками
- ВВСМ — Вентилятор валковых среднеходных мельниц
- ВГДН — Вентилятор горячего дутья с назад загнутыми лопатками
- ВВГДН — Вентилятор высоконапорный горячего дутья с назад загнутыми лопатками
- ВВН — Вентилятор высоконапорный
- ВЦП — Вентилятор центробежный пылевой
- ВРП — Вентилятор радиальный пылевой
- ВДОД — Вентилятор дутьевой осевой двухступенчатый
- ВО — Вентилятор осевой
- ВАС — Вентилятор для атомных электростанций
Ремонт
Текущий – устранение мелких неполадок, чистка от ржавчины, грязи. Смазка, замеры вибрации. Осмотр корпуса на наличие трещин. Проводится во время дежурных смен.
Средний – Включает все работы по текущему ремонту, а также предусмотренные графиком планового ремонта – проверка состояния подвижных узлов по индикатору.
Капитальный – проверка фундамента, анкерных болтов, испытания корпуса со вскрытием. Очистка от грязи, ржавчины. Выявление деформаций, замеров на вибрацию. Проверяется состояние подшипников, осевой люфт.
Редактор публикации: Беспалов Алексей Евгеньевич
Кандидат технических наук. Начальник Центра образовательных стандартов и программ «Московского государственного строительного университета» (НИУ «МГСУ»).
Устройство и принцип работы
Центробежный (или радиальный) вентилятор предназначен для перемещения воздуха или газовоздушной смеси в системах вентиляции бытовых, промышленных, торговых, общественных помещениях для его очистки, регулирования влажности, то есть создания благоприятного для жизнедеятельности человека микроклимата.
В своем устройстве он имеет следующие элементы: спиральный корпус, лопасти, рабочее колесо, двигатель. При включении двигателя лопасти начинают вращаться, засасывая воздух, который за счет центробежной силы проходит в спиральный кожух, а затем в воздуховоды, в выходное отверстие, перпендикулярное входу, воздух поступает уже очищенным.
Условия эксплуатации
Центробежные вентиляторы могут эксплуатироваться в помещениях, в которых соблюдаются следующие условия:
- температура воздуха (или невзрывоопасной газовоздушной смеси) не больше 80°С, для двусторонних — до 60°;
- механические примеси не должны превышать 1 г/м3;
- в воздухе не содержится волокнистых частиц и липких веществ.
Несоблюдение этих условий, превышение показателей приводит в быстрому износу вентиляторов и выходу их из строя.
Разновидности
Исходя из разных критериев, классификация радиальных вентиляторов может быть различной.
В зависимости от направления вращения (со стороны всасывания):
- правого вращения (лопасти вращаются по часовой стрелке);
- левого вращения (лопасти вращаются против часовой стрелки).
Обозначение изделия – В (вентилятор)
- наименование вида изделия: Ц или Р – соответственно, центробежный или радиальный;
- величина коэффициента полного давления (целое число);
- обозначение быстроходности – hy;
- обозначение номера изделия по ГОСТ 10616, в соответствии с размером наружного диаметра колеса – D.
Обозначения по ГОСТу:
Так, обозначение ВР-300-45-2,0 соответствует вентилятору радиальному с коэффициентом полного давления 300 (среднего давления), быстроходностью 45, диаметр рабочего колеса которого равен 200 мм.
Основные производители
Рынок вентиляторов сегодня очень богат как зарубежными, так и отечественными моделями. Среди них можно выделить такие бренды:
Soler&Palau (Испания). Почти 300 моделей этой марки отличаются безупречным качеством и надежностью. Корпус изделий изготовлен из оцинкованной листовой стали, у некоторых моделей имеется специальный защитный слой. Вентиляторы Soler&Palau имеют регулятор для изменения скорости вращения двигателя, изоляционный слой, гасящий звуковые волны и вибрацию, могут работать при температурах от –15° до +400° и даже во взрывоопасной среде.
Systemair. Эти компактные устройства можно применять и автономно, и в вентиляционных камерах. Вентиляторы имеют стальной корпус, что оберегает механизм от коррозии. От перегрева двигатель защищают термоконтакты.
Ostberg. Эти вентиляторы предназначены для монтажа в системах воздуховодов разной сложности и размеров. Корпус и крыльчатку производитель изготавливает из гальванизированной стали. Отличаются износостойкостью, длительным сроком эксплуатации, возможностью регулировки скорости вращения, легкостью обслуживания. Последнее достигается за счет того, что рабочее колесо и двигатель закрепляются на открывающейся дверке: чтобы почистить вентилятор, нужно просто открыть эту дверку.
Vortice. Вентиляторы этого производителя могут работать при температурах до 40°, циркулировать большие объемы воздуха: 6300 м3/час. Такая производительность позволяет использовать их в полупромышленных и промышленных помещениях.
ВЕЗА. Отечественные модели вентиляторов идеально адаптированы к региональному климату — они производятся по индивидуальной технологии на основе бесштампового серийного производства. Отличаются разнообразием ассортимента (серии ВРАН, ВОД, ВРАВ, КРОС, КРОВ и др.), почти все серии выпускаются в морозостойком, взрывозащищенном, сейсмостойком исполнении.
Цены
Стоимость зависит от многих факторов, основными среди них являются следующие:
- производитель;
- габаритные размеры или типоразмер;
- схема исполнения (взрывозащищенный, морозостойкий, коррозионностойкий, для агрессивных сред и т.д.);
- материал исполнения (обычная или нержавеющая сталь);
- параметры двигателя – мощность, размеры, класс защищенности и др.
В каждом случае цена устройства индивидуальна и имеет довольно большой разброс. В зависимости от нужных вам параметров можно купить центробежный вентилятор от 5,5 до 350 тысяч рублей.
Разновидности устройства
Сегодня выпускается множество разных вариантов вентиляторных агрегатов. Каждый рассчитан на определённые условия эксплуатации, которые везде разные, поэтому универсальных решений в этой области нет.
Центробежные вентиляторы делятся по направлению вращения:
- правого (по часовой стрелке) вращения;
- левого (против часовой).
Вентиляторы также делят за типом приводных механизмов:
- ременной;
- прямой;
- регулируемый.
Вентиляторы делятся за уровнем давления и выделяют следующие типы:
- высокого (3 кПа – 12 кПа);
- среднего (1 кПа – 3 кПа);
- низкого (до 1 кПа) давления.
По направленности движения воздушных потоков вентиляторные установки классифицируют следующим образом:
- вытяжные;
- и двустороннего всасывания.
А также существуют установки для использования в условиях агрессивных сред, причём большинство таких агрегатов узкоспециализированы, и предназначены только для эксплуатации в одной, определённой среде, например, среде хлора. Установки для неё делаются из устойчивых именно к хлору материалов, и если применить такой агрегат для работы в иной агрессивной среде, то далеко не факт, что он сохранит герметичность рабочей камеры, и не выйдет из строя.
Обычные вентиляторы рассчитаны на эксплуатацию при температуре газа до 80 градусов, и содержании в нём твёрдых примесей не более 100 мг на кубометр. Существуют также установки для применения в запылённых средах, т. н. пылевые вентиляторы, у которых содержание твёрдых примесей в рабочем теле ограничено одним килограммом на м³. Достойны упоминания и роторные вентиляторы во взрывобезопасном исполнении, с пневматическим приводом, применяемые в шахтной вентиляции, и на прочих взрывоопасных предприятиях.
По приводам также есть существенные различия, самый простой и надёжный из них — прямой. В нём крыльчатка установлена непосредственно на вал двигателя, ломаться практически нечему. Недостаток у этого привода все же есть — необходимость иметь регулятор оборотов для мотора при потребности в регулировке мощности вентиляторной установки, так как конструкция привода не позволяет изменять скорость вращения крыльчатки без изменения оборотов двигателя.
https://youtube.com/watch?v=HxXsOBi-K80
Следующим идёт ременной привод, надёжность у него пониже, чем у прямого (ремень может соскочить со шкива или порваться), но зато уже имеется возможность изменять скорость вращения ротора без изменения таковой у двигателя. Состоит из двух шкивов (первый стоит на валу мотора, второй — на одном валу с крыльчаткой), имеющих несколько канавок с разными диаметрами, перебрасывая ремень между которыми, можно изменять передаточное соотношение, там самым изменяя обороты вентилятора, не затрагивая при этом двигатель.
Последний тип привода, самый современный из всех — регулируемый. В нём передача вращательного движения осуществляется через магнитную или гидравлическую муфту, расположенную между валами двигателя и вентилятора. Так как такой привод технически сложнее всех предыдущих, то для простоты управления в нём применяется микроконтроллер, что делает возможным использование вентиляторов с таким приводом в централизованных системах, где реализована функция удалённого управления.
Что касается разницы между вентиляторными установками двустороннего всасывания и вытяжными, то она очевидна: у вытяжного забор газа происходит с одного торца, а у первого — с обоих.





































