За что отвечает антенна роутера
В большинстве роутеров изначально установлена одна антенна. Она создаёт возле себя сеть из радиоволн, а также принимает сигналы, исходящие от устройств, подключённых к Wi-Fi. Передавая сигнал, антенна позволяет устройствам скачивать что-либо из интернета, принимая его — загружать информацию на сайты и другие ресурсы.
Если на роутере установлена одна антенна, она распределяет свою мощность между передачей и приёмом информации. Если используется две антенны, то одна работает только на приём, а вторая — на передачу. Если три — две на передачу, одна на приём (так как мы намного больше скачиваем на устройство, чем загружаем что-то с него в интернет). Максимально к роутеру может быть подключено 6 антенн.
Самые мощные современные роутеры имеют шесть антенн
Увеличивая количество антенн, вы увеличите скорость передачи данных. Конечно, если у вашего роутера и интернета есть запас мощности.
Тип антенны указывает на то, как в пространстве будет распределён сигнал: равномерно или в определённую сторону. Этот фактор зависит от формы выбранной антенны.
Какие бывают антенны
Существует два основных типа антенн, используемых для раздачи Wi-Fi-сети:
- круговые (ненаправленные). Распределяют сигнал вокруг роутера практически равномерно. Сеть можно представить в виде сферы. Конечно, уровень сигнала будет неравномерным: чем дальше от роутера будет находиться устройство, тем ниже будет сигнал. Качество падает пропорционально квадрату расстояния;
Круговая антенна распространяет сигнал во все стороны, уровень сигнала уменьшается по мере удаления от передатчика
- направленные. Сужают зону распределения сигнала, посылая его только в одном направлении. Их диаграмма направленности похожа на дирижабль или лепесток. Чем уже коридор раздаваемого сигнала, тем дальше будет его действие.
В отличие от круговой антенны направленная передаёт сигнал только в одну сторону
Антенны-насадки
Отдельно можно выделить такой тип, как антенны-насадки. Они надеваются на уже установленную круговую антенну, превращая её в направленную. Конечно, полностью направленную антенну они не заменяют, но немного усилить сигнал в определённом направлении могут.
На антенну можно надеть насадку, чтобы усилить сигнал в нужном направлении
Видео: виды антенн для роутера
Какую антенну выбрать
Круговые антенны распределяют сигнал равномерно. Если вам нужно иметь доступ к сети со всех направлений, стоит приобретать именно такую антенну. Она подходит в большинстве случаев. Например, её удобно использовать в доме или офисе, когда и сверху, и снизу, и справа, и слева от роутера есть люди, которым понадобится Wi-Fi.
Если устройства, которые будут подключаться к сети, расположены по одну сторону от роутера, лучше выбрать направленную антенну. Сигнал будет передаваться только туда, но зато он будет куда сильнее. При выборе антенны необходимо иметь в виду, что любые преграды на пути распространения сигнала снижают его качество. В расположенной ниже таблице приведены значения степени ослабления радиосигнала в зависимости от материала перегородки.
Как выбрать антенну для дома
Выбор Wi-Fi-антенны следует производить исходя из своих целей и задач, возложенных на локальную сеть. Кому-то достаточно будет и обычной штыревой антенны, установленной на столе, а кому-то потребуется мощная наружная антенна, охватывающая не только дом, но и приусадебный участок
В любом случае при выборе антенны специалисты рекомендуют обращать внимание на следующие харктеристики:
коэффициент усиления (КУ). Данный параметр влияет на дальность распространения сигнала за счёт изменения радиуса действия. Он отражает способность антенны концентрировать сигнал в определённом направлении. Чем выше КУ, тем на дальнее расстояние будет передаваться поток информации. Однако стоит помнить, что при увеличении мощности излучения в одном направлении происходит снижение мощности в других направлениях;
При увеличении коэффициента усиления меняется диаграмма направленности Wi-Fi-сигнала
тип поляризации (горизонтальная, вертикальная и круговая). Этот показатель отражает характер распространения волны в пространстве. Антенны с горизонтальной поляризацией отличаются эффективным проникновением радиоволн через вертикальные препятствия и меньше подвержены воздействию помех, что особенно актуально в городских условиях. Устройства с вертикальной поляризацией способны хорошо отражать сигнал от препятствий, тем самым охватывая большую зону покрытия. При круговой поляризации сигнал способен преодолевать как горизонтальные, так и вертикальные препятствия с минимальной потерей своей мощности;
Многие домашние точки доступа и роутеры по умолчанию работают в вертикальной поляризации, однако при необходимости поляризацию можно изменить, повернув антенну на 90 °C
поддержка стандартов. Для правильной работы пассивного усилителя в связке с роутером нужно выбирать устройство, поддерживающее такой же стандарт Wi-Fi, что и маршрутизатор. Универсальным стандартом на сегодняшний день считается 802.11n, совместимый с более ранними модификациями 802.11a/b/с. Приобретая антенну с поддержкой 802.11n, можно быть уверенным, что она будет работать с практически любым роутером. Посмотреть поддерживаемые типы стандартов можно в технической документации маршрутизатора; наличие совместимых разъёмов. При покупке антенны стоит уточнить у продавца, подойдёт ли её штекер к гнезду вашего роутера. В случае, если разъёмы не совпадут, придётся приобрести специальный переходник. Но не стоит забывать, что любой лишний элемент в сборке антенны снижает качество сигнала.
Для быстрого подключения антенны к роутеру важно, чтобы их разъёмы были совместимы
Эффективность
Если говорить об эффективности такой самодельной антенны, все будет зависеть от точности, аккуратности и надежности сборки. В целом это проверенная конструкция, имеющая очень хорошие характеристики в области диаграммы направленности, которые позволяют при установке двух таких устройств передавать сигнал между ними на расстоянии около 2 км (теоретически до 10 км). Следует учитывать, что гораздо выгоднее собирать излучатели и использовать приемопередатчики на несущей частоте 5 ГГц, поскольку эта полоса на сегодня наименее зашумлена.
Как видно, антенна для вайфая для компьютера является довольно простым в изготовлении, но в то же время очень эффективным устройством для усиления и передачи сигнала в линиях беспроводной WiFi-связи
Важно учитывать все характеристики и предварительно рассчитывать тракт, чтобы правильно установить соотношения цены и качества или прилагаемых усилий и качества
Устройство мощной антенны
Существует несколько вариантов самодельных антенн, позволяющих стабильно ловить радиоволны, но фаворитом является так называемая вай-фай пушка.
Сделать её в состоянии практически каждый, кто умеет держать в руках паяльник. Схема её достаточно проста, материалов требует не много.
Шаг №1 – изготовление кружков

Центруем не вырезанные круги, просверливая медный лист
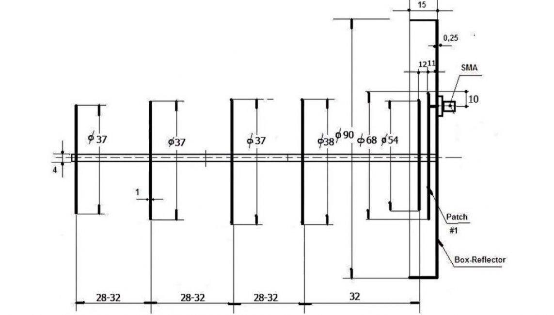
Согласно чертежу из медной фольги нужно вырезать семь кругов.
Сверлим в листе отверстия (центр кругов). Это нужно делать вначале, — если сначала вырезать круги, а потом сверлить центр, то можно промахнуться. А это не допустимо, поскольку погрешность даже в 1мм даёт заметное снижение уровня приёма сигнала.
С помощью циркуля прочерчиваем круги на медной фольге. Размеры кругов:
- 3 круга – 37 мм
- 1 круг – 38 мм
- 1 круг – 54 мм
- 1 круг – 68 мм
- 1 круг – 90 мм

Разметку делаем циркулем
Аккуратно вырезаем кружки ножницами.

Обычные ножницы хорошо режут медную фольгу
Чем меньше дефектов и неточностей, тем лучше будет ловить вай-фай сигнал антенна.

Семь вырезанных кругов для антенны
Шаг №2 – подготавливаем резьбовую шпильку

Пара минут и шпилька отрезана
Ножовкой по металлу отрезаем отрезок длинной 135 мм. Заусенцы убираем напильником.

Все элементы готовы
В итого должно получиться так, как показано на фото выше.
Шаг №3 – сборка

Подкручивая гайки, регулируем расстояние между кружками
Собирать антенну легче лёгкого. Резьбовые соединения позволяют выставлять элементы с точностью до мм.

“Пушка” собрана
На сборку антенны уходит около 10 минут.
Щаг №4 – подсоединяем wi-fi адаптер

Сверлим отверстия под соединение адаптера
Подготавливаем места соединения антенны и адаптера.

Снимаем антенну у адаптера 4g интернета
На расстоянии 1 см просверливаем отверстие 1-1,5 см на двух самых больших кружках (68 и 90 мм).

Колпачок съёмный
Разбираем вай-фай адаптер.
Снимаем пластмассовый колпачок с антенны.

Удаляем всё не нужное
Добираемся до основной жилы антенны. Возможно придётся воспользоваться паяльником.

Капелька канифоли и припоя
Паяльником лудим просверленные ранее отверстия для соединения антенны с адаптером.

Внешняя оплётка припаивается к кружку наибольшего диаметра
К кружку диаметром 90 мм. припаиваем внешнюю оплётку провода антенны вай-фай адаптера.

Возвращаем кружок на место
Устанавливаем кружок на стержень так, чтобы центральная жила антенны адаптера попала в отверстие следующего кружка (68 мм).

Долго греть не нужно
Припаиваем основной провод ко второму кружку (68мм).

Крепим на гайку
Для удобства пользования “пушкой”, устанавливаем её на штатив.
Шаг №6

Соединяем вай-фай адаптер с новой антенной
Подсоединяем вай-фай адаптер. Крепим к штативу.

Компактная и весьма эффективная антенна на подоконнике
Антенна «Биквадрат»
Другое название приёмников сигнала Wi-Fi такого типа — «зигзаг Харченко». Антенну типа биквадрат сравнительно просто изготовить. Она относится к оптимальным вариантам по соотношению сложности, времени изготовления и полученного результата.
Компоненты
Для антенны типа биквадрат нам понадобятся:
- медная трубка или N-коннектор;
- односторонний текстолит;
- медная проводка (диаметром 1,5–3 мм);
- кабель RG-6U (коаксиальный).
Эти компоненты можно найти на местном радиорынке или в магазине радиотоваров.
Порядок действий
- Чтобы сделать рефлектор, надо вырезать из текстолита квадрат со стороной 1,1 см.
- Просверлите в центре рефлектора отверстие, которое соответствует внешнему диаметру трубки из меди. Трубка должна плотно держать внутри коаксиальный кабель. Внешняя оплётка кабеля должна быть отогнута «назад» вдоль трубки примерно на 50 мм.
- Залудите просверлённое в рефлекторе антенны Вай-Фай отверстие.
- Спилите на одном конце медной трубки половину радиуса металлического верха. Пропил нужно сделать на глубину 0,5 мм + диаметр проволоки.
- Вставьте медную трубку в текстолитовую форму так, чтобы её часть выступала наружу примерно на 1,6 см.
- Подготовьте медный провод к работе, сделав на нём насечки через каждые 30,5 мм. Общая длина нужного провода — 25 см.
- Согните провод в форме зигзага по насечкам. В результате у вас должно получиться 2 квадрата, соприкасающихся в центре.
- Соедините форму из меди с трубкой, подготовленной ранее. Это и будет антенна Вай-Фай. Свободные концы проволоки припаяйте к верхней (не надрезанной) части трубки. Целая часть медной конструкции должна быть припаяна к центральной жиле коаксиального кабеля.
- Получившаяся антенна типа биквадрат может «выдать» усиление сигнала до 19 дБ. Пользуйтесь на здоровье!
Установка хорошего пароля на wifi от соседей
Если на вашем роутере установлен пароль, то это не значит того, что его невозможно взломать. Делать это не так уж и сложно. Существует методы, которые помогут вам обнаружить всех пользователей, которые подключены к вашему Wi-Fi.Но это особо ничего и не даст, лучше полностью лишить соседей любящих «халяву» от возможность пользоваться вашим Wi-Fi.
Рекомендую вам использовать пароль WPA. Такой пароль взломать, конечно, возможно, поэтому дополнительно стоит установить фильтрацию по MAC-адресу, которая полностью исключит возможность взлома. Можете ниже посмотреть видео о том как поставить пароль на роутер.
Программное усиление
Существует большое количество способов увеличить силу транслируемого маршрутизатором Wi-Fi. Усилить сигнал роутера Wi-Fi в настройках роутера довольно просто, сделать это возможно буквально за несколько секунд.
Основные способы улучшения качества сигнала:
использование протокола WPA/WPA 2;
необходимо уменьшить количество оборудования, для которых разрешено использовать MAC-адресацию;
следует скрыть имя беспроводной сети.
Применение устаревшего протокола безопасности делает работу сети не только слабо защищенной, но также очень медленной. Следует в разделе настроек маршрутизатора, зайдя в них в качестве администратора, в качестве используемого по умолчанию выбрать WPA2.
Существенно повышает скорость работы беспроводной связи ограничение количества поддерживаемых устройств. Сами MAC-адреса выступают в качестве идентификаторов.

Не следует оставлять название сети в открытом доступе. Зачастую качество, а также скорость передачи данных падают именно из-за различного рода посторонних пользователей, пытающихся осуществить подключение. Для осуществления скрытия достаточно убрать галочку в меню установок напротив пункта «разрешить передачу SSID».
Низкая мощность передатчика
Одна из основных причин низкого качества связи, малой зоны покрытия — небольшая мощность передатчика. Особенно этим часто грешат устройства со встроенной антенной. Исправить этот недостаток без использования различного рода подручных средств довольно сложно. Но, тем не менее, реально.
Например, чтобы сделать это в TP-Link
зайти в раздел настроек под названием «Wireless Advanced»;
изменить параметр «Transmit Power»;
установив значение 100, можно смело перезагружать аппарат.
После применения настроек мощность передатчика должна возрасти. Если, конечно, до начала настроек рассматриваемое значение было ниже.
Стандарт 802.11N
Ещё один способ, позволяющий существенно увеличить скорость доставки обрабатываемой информация, а также качество связи – стандарт 802.11 N. Он был введен в эксплуатацию довольно давно – в 2009 году, 11 сентября.
Скорость передачи данных при использовании данного стандарта составляет целых 300 Мбит/с. Переключиться на него довольно просто, сделать это можно через WEB-интерфейс. Чтобы открыть само окно настроек, необходимо ввести в адресной сроке браузера 192.168.1.1. Это IP-адрес устройства, присваиваемый ему по умолчанию.

Настройка перезагрузки
Также улучшить качество связи через Wi-Fi может перезагрузка. Её выполнение при помощи WEB-интерфейса позволяет очистить память маршрутизатора от программных ошибок. Именно они порой являются основной причиной возникновения неполадок самого разного рода, понижающих скорость передачи данных.
Для осуществления данной операции достаточно зайти в WEB-интерфейс как администратор.

Сделать это можно следующим образом:
ввести в адресной строке 192.168.1.1;
ввести логин и пароль администратора в соответствующих полях;
открываем раздел «Быстрая настройка» и нажимаем кнопку «Перезагрузка».
Совпадение частот
Стандартное значение рабочее частоты обычно составляет 2.4 ГГц. На ней работает большое количество самых разных устройств. Изменить канал можно при помощи специализированных программ. Например, Network Stumbler.

Также можно изменить канал через WEB-интерфейс.
Для этого необходимо:
открыть страницу настроек (вводим 192.168.1.1 в браузере);
открываем вкладку «Wireless Setting»;
в поле «Channel» выбираем нужное значение.
Новая прошивка и драйвера
Ещё один способ, дающий возможность усилить работу – установка новых драйверов на компьютер и последующая его перепрошивка. Особенно часто помогает замена прошивки. Нередко многие модели маршрутизаторов, оснащенные старым программным обеспечением, имеют довольно небольшую пропускную способность. Перепрошивка позволяет исправить положение вещей.
Как с помощью клавиатуры перезагрузить компьютер? Решение есть.
Например, многие маршрутизаторы изначально не поддерживающие стандарт 802.11 N, но после обновления программного обеспечения успешно работают с ним. Так как аппаратная часть изначально проектировалась с перспективой на возможную работу с данным стандартом. И установка обновлений позволила работать на высокой скорости.
Отключить поддержку режимов 802.11 B/G
В диапазоне 2,4 ГГц работают WiFi устройства трёх спецификаций: 802.11 b/g/n. N является новейшим стандартом и обеспечивает большую скорость и дальность по сравнению с B и G.

Спецификация 802.11n (2,4 ГГц) предусматривает большую дальность, чем устаревшие стандарты B и G.
Роутеры 802.11n поддерживают предыдущие стандарты WiFi, но механика обратной совместимости такова, что при появлении в зоне действия N-роутера B/G-устройства, — например, старый телефон или маршрутизатор соседа — вся сеть переводится в режим B/G. Физически происходит смена алгоритма модуляции, что приводит к падению скорости и радиуса действия роутера.
На практике: Перевод маршрутизатора в режим “чистого 802.11n” однозначно скажется положительно на качестве покрытия и пропускной способности беспроводной сети.
Однако девайсы B/G при этом не смогут подключиться по WiFi. Если это ноутбук или телевизор, их можно легко соединить с роутером через Ethernet.
Усиление сигнала в настройках роутера
В большинстве случаев проблема этим, конечно, не решается, и сигнал по-прежнему слабоватый. Возможность, как усилить wi-fi-сигнал своего роутера, находится в устройстве, его настройках. Сигнал недостаточной силы «задуман» в настройках домашнего маршрутизатора по умолчанию, происходит это по причине нежелания пользователей менять их индивидуально под себя. С настройками часто не хочется возиться, что-то читать, вникать в процесс. В этом и заключается проблема. Соседи, живущие через стену, думают так же, а их устройства, расположенные поблизости, работают на одной частоте, что приводит к торможению системы.
Увеличение мощности передачи роутера
Повысить слабый сигнал можно за счет усиления мощности передачи домашнего маршрутизатора. Правда, регуляторы установлены не на всех устройствах и делать это рекомендуется, только если другие методы не помогают. Бесконтрольное вмешательство в систему грозит повреждением или перегревом устройства. Поэтому прежде чем прибегать к этому способу, следует внимательно ознакомиться с инструкцией (все-таки, почитать), помнить, что показатель мощности не должен превышать 45 mW. А улучшение силы сигнала производить следующим образом:
- В настройках открыть раздел «Расширенные настройки сети».
- Перейти по периметру Wireless Transmit Power — «Мощность передачи».
- Значения выражены либо в «%», либо High — высокая, Medium — средняя, Low — низкая.
- В первом случае нужно увеличить до максимума:100%.
- Во втором выбрать «High» и выставить значение «20».
Смена канала на свободный
Усилить слабый сигнал «вай-фая» также возможно посредством перехода на свободный канал передачи. Если роутер настроен по умолчанию, велика вероятность того, что и к соседским не применялось никаких действий в данном направлении. Это одна из самых распространенных причин низкой скорости сети. Находясь на одном канале с устройствами, расположенными вблизи, значительно снижается ее радиус. Для того чтобы повысить скорость связи, рекомендуется выбрать несколько вариантов смены канала:
- В настройках сети установить для маршрутизатора «Авторежим».
- В тех же настройках задать какой-нибудь из статических каналов.
- Воспользоваться программами типа inSSIDer или Acrylic, отслеживающих свободные каналы.
Изменение режима вещания роутера
Как усилить слабый сигнал wi-fi роутера в настройках, разобраться не так сложно. Все, что нужно, это изменить существующий стандарт беспроводных сетей, работающих как правило, в режиме b/g/n. Новые приборы настроены согласно современному стандарту — 802.11ac, считающемуся самым продвинутым. Однако и устаревший 802.11n способен увеличить и скорость передачи, и радиус покрытия сети. Но это не сработает, если на беспроводном маршрутизаторе только одна антенна, или он не поддерживает данные стандарты.
Переключить сеть на новый-старый режим просто:
- Зайти в настройки по адресу роутера:192.168.1.1.
- Открыть раздел Wireless — «Беспроводная сеть.
- Перейти в пункт Mode — «Режим беспроводной сети.
- В нем выбрать значение N only – Save — «Сохранить».
- Останется лишь перезагрузить.
Разновидности

Основное отличие помимо места установки и направления действия, это размеры, определяющие дальность действия и коэффициент усиления сигнала.
- Штыревые – могут быть до полуметра в высоту. Создают всенаправленное распространение сигнала и используются для усиления зоны приема от точки доступа, находящейся в здании.
- Плоские – представляют собой пластину чаще всего квадратной формы толщиной не менее 10 мм и сторонами около 300 мм. Предназначены передавать сигнал к другой точке доступа и могут покрыть расстояние в несколько километров. Монтируются снаружи на опоре или стене.
- Панельные внутренние – представляют собой настольный девайс с направленным спектром действия. Особое отличие – плоская панель с регулированием угла наклона относительно основания что позволяет наиболее точно направить луч. Отличаются небольшими размерами и также предусматривается возможность настенного крепления за счет длины провода.
Усилитель из жестяных банок
Такая антенна вай-фай своими руками не сложнее в изготовлении, чем предыдущий вариант. Приспособление позволит усилить сигнал, который в квартире ослабляют перегородки и мебель. Рассматриваемая конструкция отличается простотой и дешевизной.
Для изготовления устройства потребуются следующие элементы:
- гардеробный тремпель;
- пара литровых банок из-под пива или безалкогольных напитков;
- обычный паяльник и припой;
- провод (50 Ом);
- разъем соединительный .
Тремпель можно заменить металлопластиковой трубкой, которая используется как внутри помещения, так и на улице, поскольку мало подвержена атмосферному воздействию.
Что такое смарт ТВ-приставка
По сути, смарт ТВ-приставка – это полноценный миниатюрный персональный компьютер, который также имеет возможность подключения к устройству вывода изображения (телевизору, монитору) посредством встроенной видеокарты. Поскольку в нее также встроены сетевые контроллеры, то благодаря доступу в Интернет и специализированному интерфейсу, она становится мультимедийным центром с большим количеством функционала для доступа к медиасодержимому. Аналогом может стать «умный» телевизор, в который эти модули уже встроены, использование возможностей смарт-приставки позволяет из любого монитора сделать Smart TV.
Отдельно стоит рассказать о программном обеспечении. Поскольку все современные устройства подобного типа работают под управлением операционных систем на базе Android 4+, они имеют доступ к огромному количеству приложений как из магазина Play Market, так и из сторонних источников через установку *.apk пакетов. Кстати, Smart ТВ- приставка может с легкостью стать игровой платформой, достаточно установить один из эмуляторов (GBA, Dandy, SEGA, PS и т. д.), подсоединить к USB (или Bluetooth) один или несколько соответствующих игровых контроллеров (джойстиков) и запустить игру через ROM или BIN-файл. По внешнему исполнению смарт медиаустройства бывают двух типов:
- В виде USB-стика. Такая модель обладает минимальным функционалом, но зато портативная. Для подключения к телевизору или монитору необходимо использовать переходник с USB на VGA или USB на HDMI. Также имеется microSD-слот для внешней памяти, совмещенные разъемы линейного входа и выхода.
- В виде бокса. Этот тип приставок внешне очень напоминает стандартный персональный компьютер (только гораздо меньшего размера) и обладает полноценным набором интерфейсов: HDMI, разъемы звуковой карты, несколько USB-слотов, подключение к Ethernet, microSD-разъем и даже AV-тюнер.
Область применения TV-приставок может быть следующая:
Замена стационарному ПК. Эти устройства отлично справятся с рутинными задачами по типу Интернет-серфинга, просмотра почты и даже редактированием простых документов. Здесь следует помнить, что для OC Android и процессоров на ARM-архитектуре уже давно выходит ПО, полностью замещающее привычное «компьютерное»
В случае когда рассматривается этот пункт, необходимо уделить особое внимание мощности процессора, число ядер должно быть не менее четырех, возможности установки внешней карты памяти — не менее 256 Гб. Следует заметить, что планки ОЗУ в 2 Гб будет вполне достаточно
Также такую комплектацию можно оснастить Bluetooth, мышкой и клавиатурой.
ТВ-приставка. Возможности здесь просто огромны, можно одновременно совместить декодер каналов с вышки телерадиовещания, подключить IPTV-плеер, а также просматривать передачи через специализированные приложения, которые ретранслируют поток. Стандартно использование встроенных видео- и аудиоплееров. Следует заметить, что ОС-приставки обычно имеют два типа внешнего вида: стандартный и минимальный, удобный для управления при помощи ПДУ. Для реализации всех вышеперечисленных функций необходимо обратить внимание на возможность вывода видео в UHD-качестве (мощный GPU), наличие тюнера, качественного звука, а также на встроенный Ethernet со скоростью передачи данных не менее 1 Гбит/сек (полезно для IPTV). Оперативная память опять же в районе 2-3 Гб.
Игровая консоль-эмулятор. Если выбрать восьмиядерный GPU + CPU, 4 – 8 Гб ОЗУ и дополнить все это SD-памятью 16-го поколения, разместив в компактном корпусе с пассивным охлаждением, получится весьма неплохая игровая станция. На сайтах (таких, как Aliexpress) можно найти множество привычных джойстиков известных брендов консолей с USB-интерфейсом, а на ресурсах (4PDA.ru) – огромное количество эмуляторов. Стоит согласиться, что за сумму около 5000 рублей весьма неплохо получить в распоряжение 8-ми и 16-тибитные ретро-игры с возможностью переключиться на гейминг в xBox или PS.

Изготовление простой антенны для Wi-Fi своими руками
Брем толстую проволоку толщиной 2-3 мм. И шаблон, вырезанный из кусочка алюминия. Можно конечно обойтись без него, но с ним попроще.


Гнем две петли из одной проволоки и две из другой. Разрыв должен быть между квадратами.



Затем, малярным скотчем временно фиксирую квадраты крест-накрест, чтобы было проще спаивать. И запаиваю середину сверху, чтобы конструкция приобрела жесткость.



Теперь нужно взять толстый кусок кабеля с разъемом (можно взять от той же штыревой антенны).


Вставить внутрь антенны и припаять. Средний провод к верху, а нижние плечи квадратов — к общему.



Антенна готова. Для завершения можно залить паянное соединение горячим клеем и покрасить.

Виды вай фай антенн для ПК
Wi-Fi-антенны, при помощи которых может осуществляться раздача сигнала от приемопередатчика, делятся сразу на несколько видов. Первый из них – внешнее исполнение, которое может быть:
Для установки в условиях с атмосферным воздействием. Проще говоря, наружный тип, монтируемый вне жилого помещения. Отличаются такие устройства наличием усиленных кронштейнов, специального крепежа (в идеале – из нержавеющей стали), а также влагозащищенным и антивандальным кожухом, внутри которого, собственно, и размещается сама антенна. Зачастую соединения излучателя и кабеля здесь делаются неразборными, поскольку полностью герметичны. Все вышеперечисленное делает эти антенны весьма массивными. Кстати, именно из-за этого бытует неправильное мнение, что внешние передатчики более мощные. По сути, нет, они просто больше, поскольку сильнее защищены.

Для установки внутри помещения. Обычно к таким устройствам относится обычный всенаправленный излучатель, используемый для того, чтобы раздача сигнала производилась на площади офиса, квартиры, складского помещения и т. д. Для подключения к адаптеру ПК обычно применяется разъем N-типа (такой же, какой имеет маршрутизатор), в случае использования USB-роутера или модуля от ноутбука (планшета) понадобится специальный переходник (например, N-тип – SMA-разъем).

По направленности:
- Всенаправленные. Излучают и принимают сигнал изотропно, то есть со всех направлений (из сферы), с одинаковым коэффициентом усиления.
- Узконаправленные. Как понятно из названия, концертируют всю мощность приемоизлучателя в некоторой узкой локальной области. В своей диаграмме направленности обычно имеют главный лепесток и дополнительные.
Полезно знать! Диаграмма направленности – одна из основных характеристик любого устройства, которая рисуется в полярных координатах. Она дает представление о том, каким образом необходимо расположить антенну, чтобы достигнуть максимального приема или передачи сигнала.
По поляризации:
- Поляризованные в одной плоскости. Если говорить простыми словами, это устройства, которые чувствительны к электромагнитным волнам, плоскость вектора колебаний амплитуды которых лишь одна и совпадает с плоскостью поляризации (также вектора колебаний) самой антенны.
- Поляризованные в двух плоскостях (MIMO –устройства). С поляризацией здесь все так же, как и у первого варианта, однако плоскостей уже не одна, а две, и они располагаются перпендикулярно друг другу. Это позволяет электромагнитной волне успешно преодолевать препятствия (например, железный забор) с наименьшими потерями.

Также следует заметить, что устройства в широком диапазоне разделяются по коэффициенту усиления (от единиц до нескольких десятков децибел) и в узком – по рабочему диапазону частот (на сегодня это две полосы 2,4 ГГц и 5 ГГц).
Обратите внимание! Почти все современные устройства поддерживают работы с излучателями в линиях и 2,4 ГГц, и 5 ГГц, однако старые модули WiFi-адаптеров способны работать только на частотах 2,4 ГГц. При выборе антенны это следует иметь в виду
В конце раздела приводятся примеры , которые могут использоваться как внешние для подключения к ПК:
- Штырьковые. Самый простой тип, который выполняется в виде отрезка проводника, согласованного с выходом волновода и помещенного в изолирующий (защитный) материал. Имеют всенаправленную диаграмму направленности.
- Штырьковые с рефлектором. Рефлектор – это обыкновенная пластина, выполненная из проводника и располагаемая либо перпендикулярно, либо параллельно излучателю. В соответствии с этим происходит усиление амплитуды электромагнитных волн либо в вертикальной, либо в горизонтальной плоскостях.
- MIMO-устройства. Также имеют множество конфигураций, могут быть выполнены как в виде набора согласованных патч-антенн, расположенных в разных плоскостях поляризации, так и, например, в виде набора решеток Харченко. Кстати, знаменитая вай-фай пушка также является MIMO-антенной.





![Мощная wi-fi антенна для дачи своими руками [инструкция]](https://all-sfp.ru/wp-content/uploads/4/a/3/4a385b84655f94eb4133e34237ec6ba0.jpg)











![Мощная wi-fi антенна для дачи своими руками [инструкция]](https://all-sfp.ru/wp-content/uploads/8/2/f/82fa8c55ba59139af9bb02d7903c524e.jpeg)







































